一乐电子

 找回密码
 请使用微信账号登录和注册会员

QQ登录

只需一步,快速开始

微信扫码登录

手机号码,快捷登录

手机号码,快捷登录

搜索
查看: 16062|回复: 55

[DIY套件开发] 25363VFD变身串口屏

[复制链接]
发表于 2015-11-12 18:28 | 显示全部楼层 |阅读模式
25363VFD变身串口屏怎么样,有兴趣的朋友请跟贴
如果感兴趣的低于20个则项目取消
有20个的话 套件定价9.9元(套件类似25363频谱或者vfd2lcd利用原来的pcb)
有100个的话 则重新做pcb并且加上dataflash做中文字库 套件定价15左右(多了7805 dataflash fpc接插件用fpc和屏连接等)
有熟悉串口屏的提供一下好用的指令集 谢谢
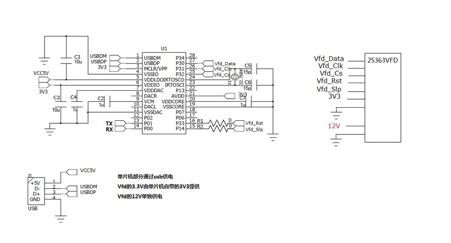
原理图
串口25363.jpg

发表于 2015-11-12 20:07 | 显示全部楼层
支持,预定 2个。
回复

使用道具 举报

发表于 2015-11-12 21:44 | 显示全部楼层
本帖最后由 sdf15937 于 2015-11-12 22:13 编辑

支持“有100个的话 则重新做pcb并且加上dataflash做中文字库 套件定价15左右(多了7805 dataflash fpc接插件用fpc和屏连接等)”
我预定2个。
最好能支持简单的自定义图形
指令集可以参考一下apachectl的串口彩屏
也可以参考这个帖子,但是个人不建议,应为这个指令集很简单,白瞎了这个253*63的屏幕了jimmy_xt整理的CU20029SCPB-T25A屏的指令https://www.yleee.com.cn/forum.php?mod=viewthread&tid=19702
回复

使用道具 举报

发表于 2015-11-13 01:01 | 显示全部楼层
楼主威武,预定4个,早就想要这个rav4变身串口屏了,最好能支持图形,那样就完美了
回复

使用道具 举报

发表于 2015-11-13 08:58 | 显示全部楼层
走足100,我来画板子,哈哈哈哈
回复

使用道具 举报

发表于 2015-11-13 09:07 | 显示全部楼层
没屏的飘过
回复

使用道具 举报

发表于 2015-11-13 09:24 | 显示全部楼层
请教楼主,VFD25363屏除了整个屏幕数据更新外,有没有只更新某个显示区域的指令.
回复

使用道具 举报

 楼主| 发表于 2015-11-13 09:30 | 显示全部楼层
jdog 发表于 2015-11-13 09:24
请教楼主,VFD25363屏除了整个屏幕数据更新外,有没有只更新某个显示区域的指令.

有的 经过反复的指令测试好不容易找到了区域更新的指令 不然的话做这个就超级麻烦了

回复

使用道具 举报

发表于 2015-11-13 09:32 | 显示全部楼层
预订2片,希望能成团。
回复

使用道具 举报

发表于 2015-11-13 12:07 | 显示全部楼层
本帖最后由 384065902 于 2015-11-13 12:21 编辑

早点说啊,我那屏板子画好都去做去了,我这个是stc15驱动的,板子背面是屏.LZ要是要供电电路我画出来给你,很简单,但是4.5-5.5V输入整体效率能超过85%
无标题.png ,

回复

使用道具 举报

本版积分规则

QQ|一淘宝店|手机版|商店|一乐电子 ( 粤ICP备09076165号 ) 公安备案粤公网安备 44522102000183号

GMT+8, 2026-5-25 05:11 , Processed in 0.036586 second(s), 30 queries , Gzip On.

Powered by Discuz! X3.5

© 2001-2025 Discuz! Team.

快速回复 返回顶部 返回列表