一乐电子

 找回密码
 请使用微信账号登录和注册会员

QQ登录

只需一步,快速开始

微信扫码登录

手机号码,快捷登录

手机号码,快捷登录

搜索
查看: 11882|回复: 50

[其他综合] 0 ~ ±15V同步可调稳压电源

[复制链接]
发表于 2016-3-25 13:43 | 显示全部楼层 |阅读模式
本帖最后由 3AG1 于 2016-3-26 14:08 编辑

Asdfghjkl   想做一个小功率的正负双电源:
https://www.yleee.com.cn/thread-54294-1-1.html


要求正负电压同步调节,只使用一个电压调整电位器,一块电压表,输出电压能从0V起调。


主要零件有:
三极管:TIP41  TIP42  TIP127  TIP122  D882  B772  3DD15 等
运放:TL048  LM358  LM324


网上有不少这类电路图,但大都是原理性质的,实用性不好,主要是可靠性不高。
昨天画了一个图,供你参考:


0-±15V同步可调稳压电源-1.GIF

 楼主| 发表于 2016-3-25 13:52 | 显示全部楼层
为了保证负载的安全,上面这个电路有基本的保护电路,电位器接触不良,会自动降低输出电压,可防止输出电压失控。

当正负电源的负载不一样,负电压负载电流较大时,断电时有可能负电压首先消失,造成LM317输出电压失控,电压大幅反跳烧毁负载电路零件,所以电路里加上了断电保护电路。
回复

使用道具 举报

发表于 2016-3-25 13:52 | 显示全部楼层
好,3AG大大真牛
回复

使用道具 举报

 楼主| 发表于 2016-3-25 14:01 | 显示全部楼层
你说最好在这个帖子里的电路里加上负电源输出:
https://www.yleee.com.cn/thread-32072-1-1.html
如果能直接在此图基础上加上一组负压最好了,负压要求不高,1a足够



0-15V0-3A稳流稳压可调直流电源.GIF

这个电路加上负电源输出也容易。
只是你的变压器需要是两个独立的18V绕组。
负电压输出没有恒流功能,只能加上简单的限流措施。
回复

使用道具 举报

 楼主| 发表于 2016-3-25 14:03 | 显示全部楼层
本帖最后由 3AG1 于 2016-3-26 14:08 编辑

把上图电路改一个,增加负电压输出:

0-±15V同步可调稳压电源-2.GIF

回复

使用道具 举报

 楼主| 发表于 2016-3-25 14:09 | 显示全部楼层
上面两个电路里的变压器可以用次级输出双15 ~ 20V的,不要超过20V,否则运放工作电压有可能会超过极限值。

最高输出电压通过改变LM317的REF与OUT间电阻大小调整,上面电路的最高输出大概在17V多。

点评

老师,上面的电路如果输出1A,是不是可以省略一个3DD15这样的调整管?  详情 回复 发表于 2025-6-30 18:27
回复

使用道具 举报

发表于 2016-3-25 15:31 | 显示全部楼层
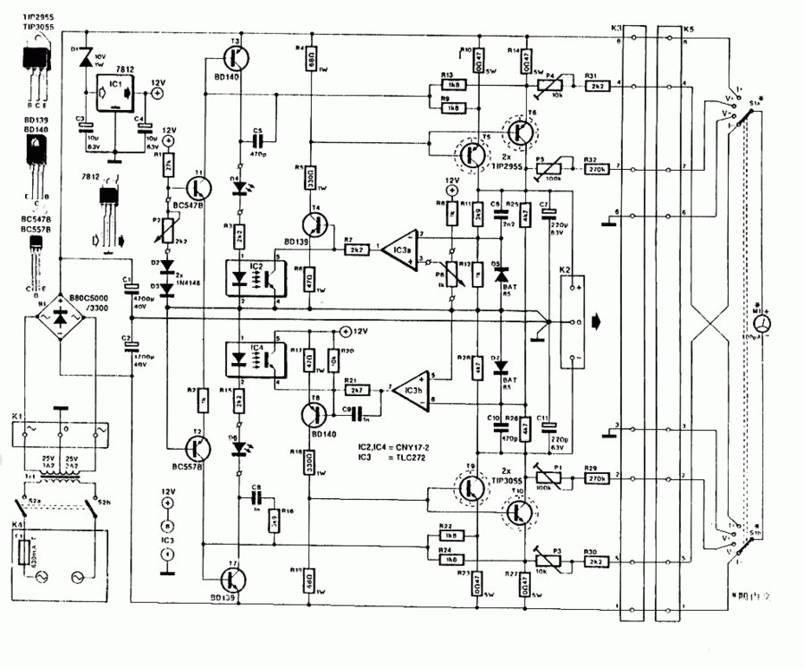
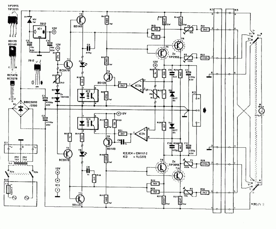
3AG:请看看以下电路的设计有没有可靠性问题,谢谢!

0-Dual Voltage PSU.pdf (3.34 MB, 下载次数: 209)
https://na.cx/i/6H2O1i.jpg
(不知为何上传不到JPG档)
回复

使用道具 举报

发表于 2016-3-26 09:09 | 显示全部楼层
感谢3ag1,这两天有事情没上论坛,今天才看到,万分感谢,待我做好后发到论坛上
回复

使用道具 举报

发表于 2016-3-26 09:11 | 显示全部楼层
3AG1 发表于 2016-3-25 14:03
把上图电路改一个,增加负电压输出:

改绕组不是问题,以前就是两个绕组,用环牛绕的,只要拆开增加一些匝数即可实现
回复

使用道具 举报

 楼主| 发表于 2016-3-26 14:46 | 显示全部楼层
Joe_Black 发表于 2016-3-25 15:31
3AG:请看看以下电路的设计有没有可靠性问题,谢谢!

我整理一下,贴出来:
0-28V 0-2.3A可调电源.GIF

PCB
0-28V 0-2.3A可调电源PCB-1.jpg

0-28V 0-2.3A可调电源PCB-2.jpg

回复

使用道具 举报

本版积分规则

QQ|一淘宝店|手机版|商店|一乐电子 ( 粤ICP备09076165号 ) 公安备案粤公网安备 44522102000183号

GMT+8, 2025-12-11 21:00 , Processed in 0.039081 second(s), 31 queries , Gzip On.

Powered by Discuz! X3.5

© 2001-2025 Discuz! Team.

快速回复 返回顶部 返回列表