一乐电子

 找回密码
 请使用微信账号登录和注册会员

QQ登录

只需一步,快速开始

微信扫码登录

手机号码,快捷登录

手机号码,快捷登录

搜索
楼主: 风铃夜思雨

求个思路, 电池低压后, 触发继电器导通220V, 给充电板供电, 满电断220V

 火.. [复制链接]
发表于 2012-6-8 21:43 | 显示全部楼层
其实电路的不完善,都可以找到解决的方法的,解决的方法也很多很多。相信任何一个IC,一个方案,一个产品,一个系统,也是这样完善而来的,如果因为仅仅开始时存在一些错误,一些缺憾,就全盘否认,起码这不是一个应有的习惯
回复

使用道具 举报

发表于 2012-6-8 21:46 | 显示全部楼层
本帖最后由 benli 于 2012-6-8 21:54 编辑

回复 49# CAI2000

    你说的也有道理,可满足自用。我是觉得一个方案要适应更多的人用。
    第二方案我没做过评论。
我回复的只是38楼的那个,431阴极最低电压仅1.9v左右,在加上一个肖特基,足以让左面的三极管始终处在导通状态了,所以行不通。
     有问题的我会指出,发现问题,大家才能更好的讨论和改进,我的水平和精力都有限,无法提出更好的方案。
回复

使用道具 举报

发表于 2012-6-8 21:52 | 显示全部楼层

标题

回复 50# CAI2000


        至于误导他人,指的是刚接触电子的那些人,他们的分辨力很低的。
      我没能力设计生产更好更简单更便宜的电路,只好推荐老外已经有了的了。
回复

使用道具 举报

发表于 2012-6-8 23:08 | 显示全部楼层
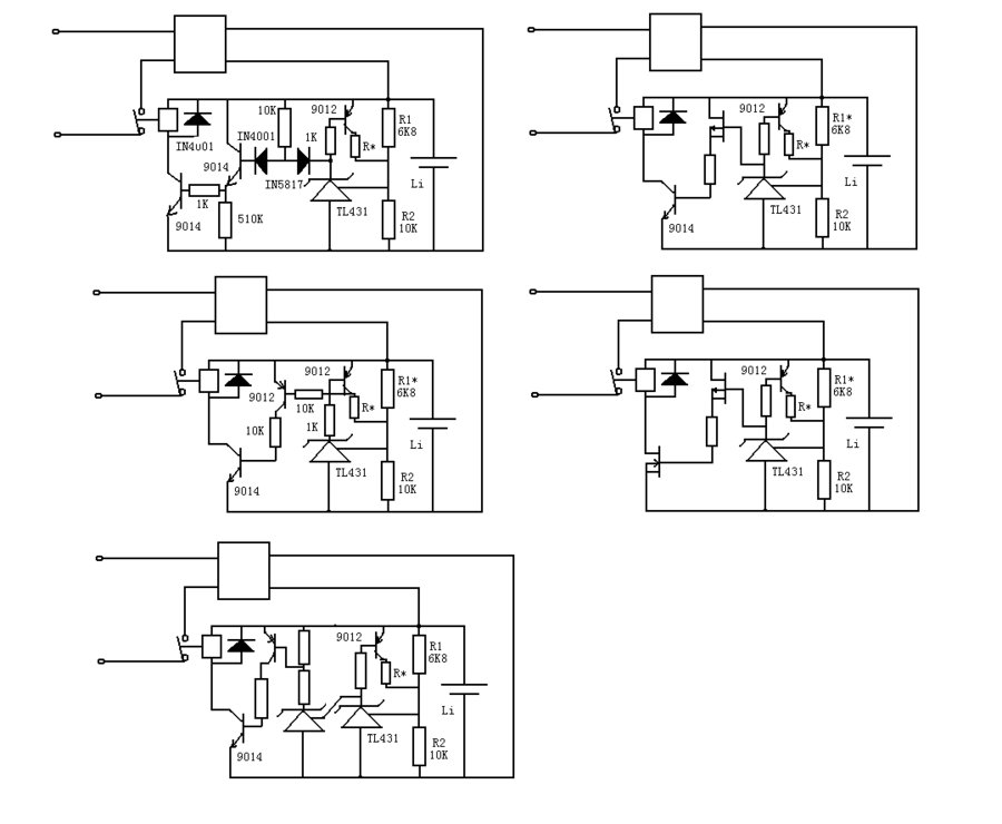
再来一个可以避免大多问题的方案
自充.GIF

从发展的角度说,初学者更需要的却却是分析问题和解决问题的能力,填鸭式的论断,带不来多少帮助
回复

使用道具 举报

发表于 2012-6-8 23:30 | 显示全部楼层
本帖最后由 CAI2000 于 2012-6-8 23:35 编辑

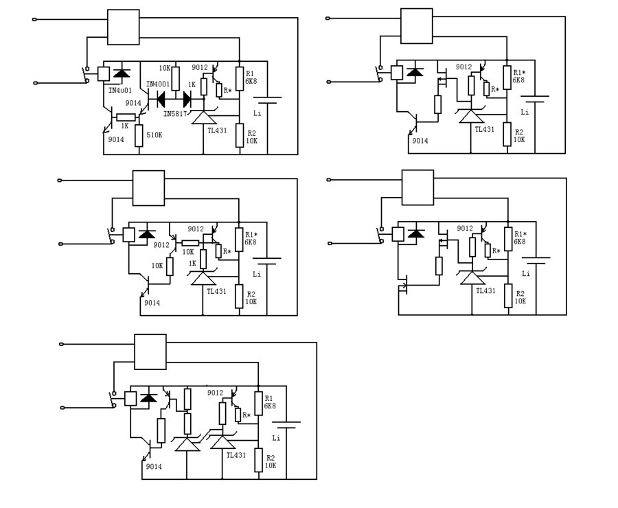
类似的可以解决所有这些问题的方案,应该还可以想出很多
自充.GIF
场管那两个控制反相了,差不多就类似的思路吧,不再作具体更改了
回复

使用道具 举报

发表于 2012-6-8 23:53 | 显示全部楼层
把TL431换成其它可以微小电流工作的基准IC,晶体管全部使用场管,电路完全可以做到非常低的功耗
回复

使用道具 举报

发表于 2012-6-9 07:29 | 显示全部楼层
回复 56# CAI2000


    没有容易得到的微电流并可替代431的基准,如果去买,还不如直接买电压监控芯片,才几毛一个,ua级的电流。
MOS没法直接替换三极管,请考虑下MOS的开启电压。
回复

使用道具 举报

发表于 2012-6-9 08:45 | 显示全部楼层
MOS这里不是做功率控制,并不需要一定的低阻导通
我几年不做产品开发了,不熟悉元器件市场了,能有商业的IC可以应用,那肯定是比较方便的。
楼主在贴里说是要个思路,手上就TL431等器件,不想花额外的钱了,我最初的贴就是仅给个思路,不是完善的方案,我也没有说是最佳方案,发贴都是应楼主的要求而来。我后发的方案,仅是说明,电路的不足,是可以改进的。
回复

使用道具 举报

发表于 2012-6-9 09:08 | 显示全部楼层
做产品开发,我会选择使用商业IC;自己简单使用,我不会去花额外的钱,会选择使用手头的零件搭个,这个并不是复杂的电路,也没有什么特别功耗要求
回复

使用道具 举报

发表于 2012-6-19 13:33 | 显示全部楼层
回复  CAI2000


    没有容易得到的微电流并可替代431的基准,如果去买,还不如直接买电压监控芯片,才 ...
benli 发表于 2012-6-9 07:29 https://www.yleee.com.cn/images/common/back.gif



    今天看到个最少只需要50uA就可以正常工作的431,TLVH431
回复

使用道具 举报

本版积分规则

QQ|一淘宝店|手机版|商店|一乐电子 ( 粤ICP备09076165号 ) 公安备案粤公网安备 44522102000183号

GMT+8, 2025-10-26 14:54 , Processed in 0.035099 second(s), 28 queries , Gzip On.

Powered by Discuz! X3.5

© 2001-2025 Discuz! Team.

快速回复 返回顶部 返回列表