一乐电子

 找回密码
 请使用微信账号登录和注册会员

QQ登录

只需一步,快速开始

微信扫码登录

手机号码,快捷登录

手机号码,快捷登录

搜索
楼主: zyh555

新版晶体管测试器AVR-Transistortester

 火... [复制链接]
发表于 2013-1-27 23:10 | 显示全部楼层
还是程序问题吧,谁帮忙编译下m8自动关机的版本
板子应该是没问题。
现在就程序啦。。avr真不会

newm8晶体管测试仪.jpg
IMAG0040副本.jpg
IMAG0041副本.jpg
IMAG0042副本.jpg
IMAG0043副本.jpg
回复

使用道具 举报

发表于 2013-1-27 23:57 | 显示全部楼层
本帖最后由 HGQ21102 于 2013-1-28 00:00 编辑
还是程序问题吧,谁帮忙编译下m8自动关机的版本
板子应该是没问题。
现在就程序啦。。avr真不会




...
zhqsoft 发表于 2013-1-27 23:10 https://www.yleee.com.cn/images/common/back.gif


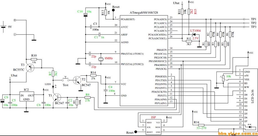
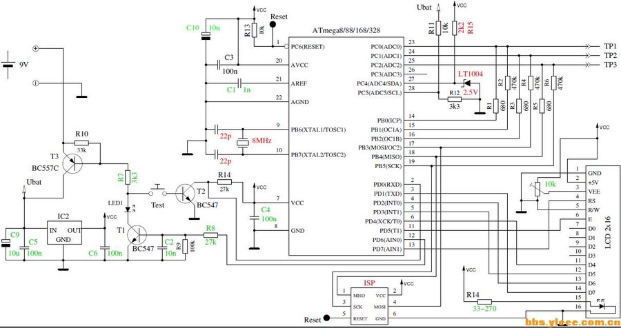
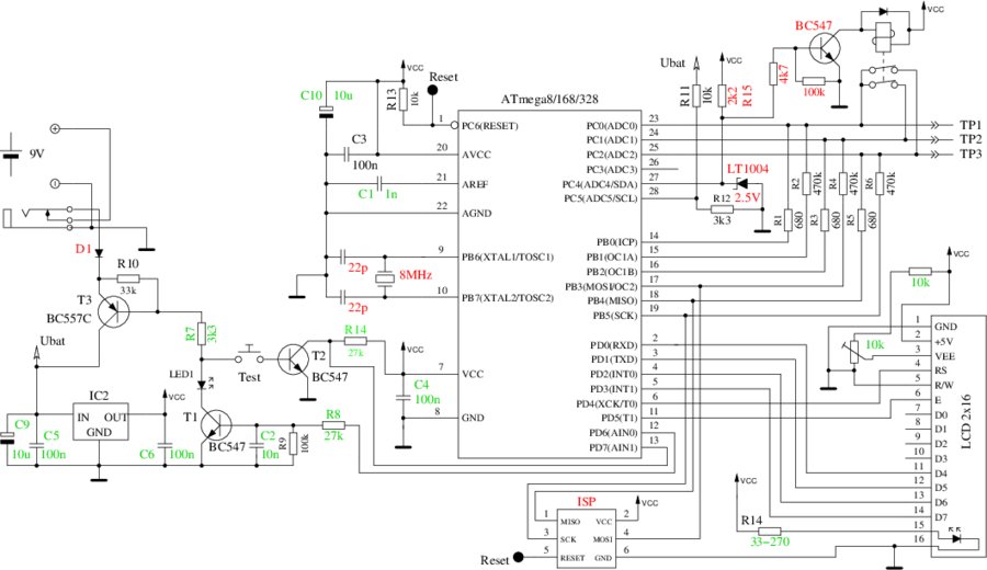
   楼上的兄弟,你按第一楼(就是你上楼的图)lcd的数据线不相同的,兄弟你试写老版本固件就能显示了~你的同俺的情况是一样的。

或者你按此图跳线(lcd的数据线部分)
http://www.mikrocontroller.net/wikifiles/6/64/TransistorTesterVC1.png
你再试写了62楼那兄弟的固件试试能否显示成功~
回复

使用道具 举报

发表于 2013-1-28 11:22 | 显示全部楼层
本帖最后由 zydl123 于 2013-1-31 12:23 编辑

仔细看一下说明吧,105版有不少改进的地方主要是针对M168,328的单片 裁剪.bmp ttester_ger105k.pdf (933.69 KB, 下载次数: 483) http://www.engbedded.com/fusecalc/
001.png
001.png
回复

使用道具 举报

发表于 2013-1-28 12:01 | 显示全部楼层
转印的PCB?手工真棒,一直说做一个,一直没弄,懒!
回复

使用道具 举报

发表于 2013-1-28 14:11 | 显示全部楼层
你那改有电压测试的固件不错,我一直在用,如果能把M168的也能改加电压测试那就更好了,谢谢的改 ...
zydl123 发表于 2013-1-27 15:34 https://www.yleee.com.cn/images/common/back.gif


我也想做,其实这个版本就是我一直想要的,无奈无法编译,就暂时放一边了。
最近弄ADC程序去了...........
等~~等什么时候开窍了(一直都用bascom编程),什么时候能编译程序的时候再改~~
回复

使用道具 举报

发表于 2013-1-28 14:11 | 显示全部楼层
还是程序问题吧,谁帮忙编译下m8自动关机的版本
板子应该是没问题。
现在就程序啦。。avr真不会




...
zhqsoft 发表于 2013-1-27 23:10 https://www.yleee.com.cn/images/common/back.gif


PCB做得非常不错,本来尝试单面板布线~~结果总不理想~又放一边去~
回复

使用道具 举报

发表于 2013-1-28 16:02 | 显示全部楼层
本帖最后由 adsl_95 于 2013-1-28 17:08 编辑

回复 75# wumaoxu


使用正常么?
不加晶振也能用?那还加晶振干什么?加精度?
还有就是,都哪些元件是关系到精度的?


还有一个怪问题,之前看别人用10年到12年左右产的M8电容偏差很大,换06.07年的就没事.现在新版软件还有这问题么?...............


我也想做一个,觉得电感用不上,手里也有之前AT89C51做的电感电容频率表了,就不上m168了..............
单说精度这些本来就是玩具的级别只是个参考值,经过专业调校才能比较准,但多数人都没那能力,差不多完了.............
做这个,主要还是判定各种管脚定义比较实用,其他功能,,电阻电容什么的基本都是附加的可有可无...............
我是觉得如果能去掉电阻电容什么的,加入ESR测定可能实用点.............不知道自己编译能做到么?不会编程啊,悲剧.............
还有我觉得比较实用的就是那自检,虽然不知道他具体能有多大作用.....不知道删掉某些能不能对应的换来这些功能呢?M8容量够用么?

还有这电路能不能使用单锂电的?修改程序能做到么?
估计液晶对电压要求高,M8到二把刀..........
回复

使用道具 举报

发表于 2013-1-29 10:34 | 显示全部楼层
回复 107# adsl_95


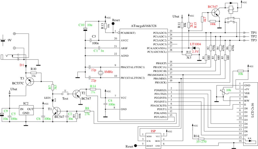
现在没用晶振,用的是内部的8M RC振荡,使用正常。
加晶振可以提高电容测量的精度。要求3个680和3个470K的电阻用0.1%的高精度电阻。

以前用老版M8程序电容偏大0.5倍,换新版软件容量正常。

如果不修改程序M8容量是不够的。无法测量电感和ESR。

我的电路是使用单锂电的,用电路升压到8v左右稳压到5v,直接用电源开关,取消了开关机的晶体管。程序不修改,用取消自动关机的。
如果直接用单锂电供电应该影响到测量范围。
回复

使用道具 举报

发表于 2013-1-29 10:44 | 显示全部楼层
传一个atmega328版本Markus的ComponentTester-1.05m,应该是标准版的电路。有的试一下。
压缩包的transistortester\Software\Markus\ComponentTester-1.05m内文件编译,默认设置。

ComponentTester-1.05m.rar (15.89 KB, 下载次数: 649)
回复

使用道具 举报

发表于 2013-1-29 12:59 | 显示全部楼层
回复 108# wumaoxu


那要使用M88呢?估計容量比168小一半..........

偏大那問題,不是有人說是生產週期不同導致的ADC不對應嗎?..........不知新程序用老芯片會如何?................
回复

使用道具 举报

本版积分规则

QQ|一淘宝店|手机版|商店|一乐电子 ( 粤ICP备09076165号 ) 公安备案粤公网安备 44522102000183号

GMT+8, 2025-11-24 04:20 , Processed in 0.036972 second(s), 28 queries , Gzip On.

Powered by Discuz! X3.5

© 2001-2025 Discuz! Team.

快速回复 返回顶部 返回列表