一乐电子

 找回密码
 请使用微信账号登录和注册会员

QQ登录

只需一步,快速开始

微信扫码登录

手机号码,快捷登录

手机号码,快捷登录

搜索
楼主: zyh555

新版晶体管测试器AVR-Transistortester

 火... [复制链接]
发表于 2013-1-31 14:58 | 显示全部楼层
在wumaoxu的指导下已经成功编译,有空再看代码。
回复

使用道具 举报

发表于 2013-1-31 16:44 | 显示全部楼层
脑残了,去找了PDF,这公司碉堡了,居然有官方中文版PDF,真不容易啊..........很多PDF几乎看不到官方中文版的影子.............
中文也不算小语种了怎么老是受歧视的感觉............
游戏中文版也很少,近几年才有点改观.............

上传了,有需要的下载吧............

有全套的,需要的话留言............

简单看下,貌似使用SPI连接外部存储器是有可能实现的...........不过程序要改,这个我就无能为力了.............
官方有举例的代码,会编程的可以看看............
如果M8或M88只是容量不够才不能用全部功能,一片24C12就能解决问题了,实在无必要一定买M168............
此话只是对手里已经有了M8或M88的,有了外部拓展容量就有可能实现全部功能..........
没有的那些人要现买的话上M168吧,别搞得那么麻烦了,除非你就是喜欢折腾..............


M8中文版:
http://kuai.xunlei.com/d/YYIsAQOGVgAbLApR302

M48/88/168中文版:
http://kuai.xunlei.com/d/YYIsAQOSVgBBLgpR35f



等高人来编译M88和M8用的.........那种串行FLASH我记得我这是两块钱一片.....实体店贵死..............
回复

使用道具 举报

发表于 2013-1-31 18:24 | 显示全部楼层
回复 119# zydl123


    对纯数字电路还可以,但是对带AD的单片机来说
回复

使用道具 举报

发表于 2013-1-31 18:32 | 显示全部楼层
本帖最后由 wumaoxu 于 2013-1-31 18:39 编辑

回复 122# adsl_95


    24CXX是串行EEPROM,可以用来存储数据,但是用来存程序是不现实的。除非单片机支持。
现在许多芯片是采用25系列存储器存程序的,它的接口与24差不多。

至于M88好像可以通过程序编译,在CONFIG.H中有如下数据:

// select the right Processor Typ
#if defined(__AVR_ATmega48__)
#define PROCESSOR_TYP 168
#elif defined(__AVR_ATmega48P__)
#define PROCESSOR_TYP 168
#elif defined(__AVR_ATmega88__)
#define PROCESSOR_TYP 168
#elif defined(__AVR_ATmega88P__)
#define PROCESSOR_TYP 168
#elif defined(__AVR_ATmega168__)
#define PROCESSOR_TYP 168
#elif defined(__AVR_ATmega168P__)
#define PROCESSOR_TYP 168
#elif defined(__AVR_ATmega328__)
#define PROCESSOR_TYP 328
#elif defined(__AVR_ATmega328P__)
#define PROCESSOR_TYP 328
#elif defined(__AVR_ATmega640__)
#define PROCESSOR_TYP 1280
#elif defined(__AVR_ATmega1280__)
#define PROCESSOR_TYP 1280
#elif defined(__AVR_ATmega2560__)
#define PROCESSOR_TYP 1280
#else
#define PROCESSOR_TYP 8
#endif

但是怎样编译还是没有头绪。

在makefile文件中有如下字段:
ifeq ($(PARTNO),m88)
MCU = atmega88
HEX_FLASH_FLAGS = --change-section-lma .eeprom=0x2000
ifeq ($(OP_MHZ),1)
# RC operation ,CLK 1MHz
FUSES_INT = -U lfuse:w:0x62:m -U hfuse:w:0xdc:m
# -U efuse:w:0xf9:m
# Operation with 8MHz crystal and /8 divider , full swing crystal
FUSES_CRY = -U lfuse:w:0x77:m -U hfuse:w:0xdc:m
# -U efuse:w:0xf9:m
# Operation with 8MHz crystal and /8 divider , low power
FUSES_CRY_L = -U lfuse:w:0x7f:m -U hfuse:w:0xdc:m
# -U efuse:w:0xf9:m
else
# RC operation ,CLK 8MHz
FUSES_INT = -U lfuse:w:0xe2:m -U hfuse:w:0xdc:m
# -U efuse:w:0xf9:m
# Operation with 8MHz crystal and /1 divider , full swing crystal
FUSES_CRY = -U lfuse:w:0xf7:m -U hfuse:w:0xdc:m
# -U efuse:w:0xf9:m
# Operation with 8MHz crystal and /1 divider , low power
FUSES_CRY_L = -U lfuse:w:0xff:m -U hfuse:w:0xdc:m
# -U efuse:w:0xf9:m
endif
endif

由此看来只要将文件中的PARTNO=m88即可编译成m88可用的文件。
mega88.rar (15.53 KB, 下载次数: 367)
m88默认设置,具体设置查看makefile文件。
回复

使用道具 举报

发表于 2013-1-31 18:45 | 显示全部楼层
楼主呢??!开了帖子闪人了,只剩下俺们这帮参观的了!
回复

使用道具 举报

发表于 2013-1-31 18:49 | 显示全部楼层
回复 124# wumaoxu


你这么一说好像我记得,EEPROM和NAND FLASH还是不一样的吧,虽然都是SOP8封装............不知道单片机支持的是哪种............

编程一点也不懂..............
不过M88和M168是同系列,所以可能性大罢了..................
M8不是同系列所以可能改动会很多...............
这个只要看看你能不能研究出什么头绪来,看代码我基本看不懂...............
回复

使用道具 举报

发表于 2013-1-31 18:57 | 显示全部楼层
好像24c12还不行,他是I2C接口.
有专用的SPI接口的,这个才能用.
可能就是你说的25系列,
刚查的.............这种存储器价格和24c系列差不多.................
大容量贵点,这和路由器用的是同一种FLASH................
回复

使用道具 举报

发表于 2013-2-16 23:11 | 显示全部楼层
本帖最后由 wumaoxu 于 2013-2-19 11:03 编辑

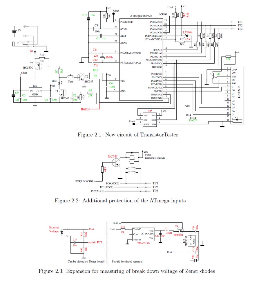
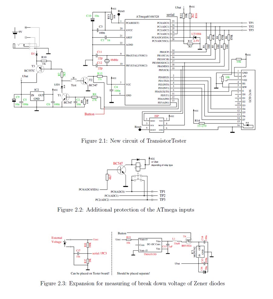
论坛终于上来了!昨天又下了压缩包看了一下,程序又更新到1.06k了。增加了保护和50v的电压表功能。
newcircuit.png
回复

使用道具 举报

发表于 2013-2-22 12:19 | 显示全部楼层
仿制了一台,有些参数看不懂
N-jfet 123=gds
I=1.2mA @ Vgs=855m

I-1.2MA是什么管子的什么值?
Vgs=855m是什么管子的什么值?

有人知道吗?希望回复一下!

回复

使用道具 举报

发表于 2013-2-22 22:30 | 显示全部楼层
wumaoxu 发表于 2013-2-16 23:11 static/image/common/back.gif
论坛终于上来了!昨天又下了压缩包看了一下,程序又更新到1.06k了。增加了保护和50v的电压表功能。

這個M8還能用麼?....................

点评

好像还可以的。  详情 回复 发表于 2013-2-24 14:01
回复

使用道具 举报

本版积分规则

QQ|一淘宝店|手机版|商店|一乐电子 ( 粤ICP备09076165号 ) 公安备案粤公网安备 44522102000183号

GMT+8, 2026-2-26 12:53 , Processed in 0.039310 second(s), 32 queries , Gzip On.

Powered by Discuz! X3.5

© 2001-2025 Discuz! Team.

快速回复 返回顶部 返回列表