一乐电子

 找回密码
 请使用微信账号登录和注册会员

QQ登录

只需一步,快速开始

微信扫码登录

手机号码,快捷登录

手机号码,快捷登录

搜索
楼主: yuanjingjie

M8数控电源优化

 火.. [复制链接]
 楼主| 发表于 2010-5-13 12:31 | 显示全部楼层
这个电路图大概已经画完了,现在在准备东西,这几天公司比较忙,一直没时间搞
晚点上几个配件图上来
回复

使用道具 举报

 楼主| 发表于 2010-5-13 12:32 | 显示全部楼层
我的看法不同,从AD看,两种设计都是用M8片内AD,如果两个电路中M8的AD预分频如果相同,运行频率也相同 ...
fat 发表于 2010-5-13 10:44 https://www.yleee.com.cn/images/common/back.gif



    我的想法和你们的差不多,手头有几种数字电源,好像都是采用的模拟闭环
回复

使用道具 举报

 楼主| 发表于 2010-5-13 17:15 | 显示全部楼层

今天开始准备配件了,呵呵,公司仓库的人和我玩的很好,当然我搞点配件是超级容易了

本帖最后由 yuanjingjie 于 2010-5-13 17:21 编辑

0513_170838.jpg

用CNC搞了的散热器,为了搞这个,今天拆了台恒流恒压数字电源
0513_170612.jpg
开关电源,输出电压已经调到了15V
0513_170744.jpg 0513_170756.jpg
拆电源钱前忘记拍照了,拍个电路板
0513_170811.jpg
16*2液晶
回复

使用道具 举报

 楼主| 发表于 2010-5-13 17:27 | 显示全部楼层
本帖最后由 yuanjingjie 于 2010-5-13 17:31 编辑

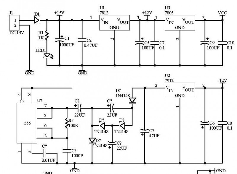
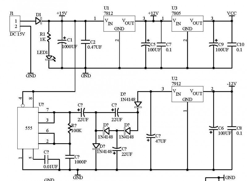
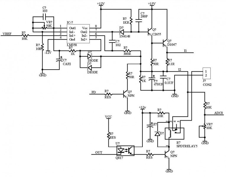
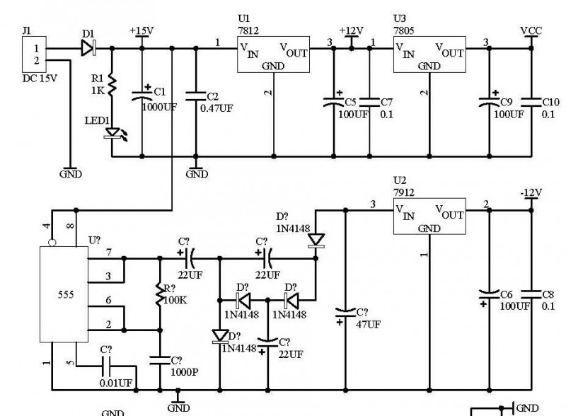
电源部分.JPG

以上是电源部分,电源采用双电源,由于考虑到使用变压器体积太大,故增加了个555产生大约20V左右的负电压
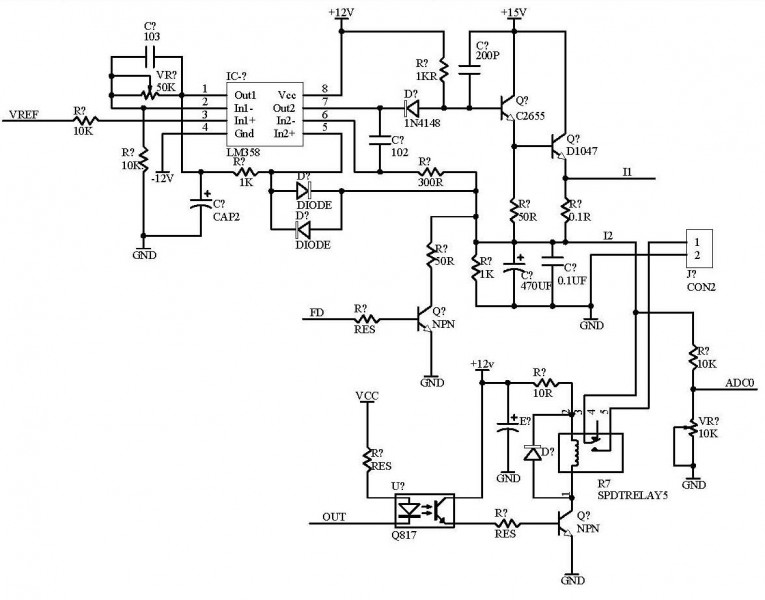
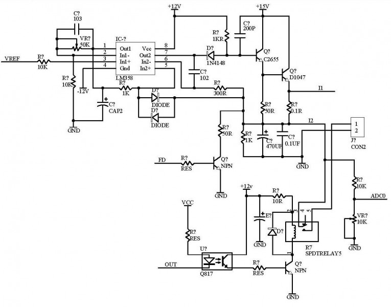
电流采样.JPG
电流采样,初步决定电流做到2A培,0~2A电流对应运放输出0~4V ,提高电流控制精度
电压输出.JPG
电源输出部分采用大家的意见,使用运放构成模拟闭环控制,输出部分增加了个继电器,和一个快速放电电阻,主要是用来实现稳定电压,减少开机时多设备的冲击
回复

使用道具 举报

发表于 2010-5-13 17:48 | 显示全部楼层
我觉得电流采样加运放放大,好处是可以用更小的采样电阻值,减少发热,避免电阻值温漂。但坏处是运放本身的漂移也加进来了,另外采样电阻太小,PCB走线粗细长短和元件引脚的电阻、焊接电阻也要考虑了。 
回复

使用道具 举报

 楼主| 发表于 2010-5-13 17:54 | 显示全部楼层
我觉得电流采样加运放放大,好处是可以用更小的采样电阻值,减少发热,避免电阻值温漂。但坏处是运放本身的 ...
fat 发表于 2010-5-13 17:48 https://www.yleee.com.cn/images/common/back.gif



    准备用一段康铜丝
回复

使用道具 举报

发表于 2010-5-13 18:18 | 显示全部楼层
准备用一段康铜丝
yuanjingjie 发表于 2010-5-13 17:54 https://www.yleee.com.cn/images/common/back.gif


用康铜丝我觉得更难测准其阻值,因为小阻值的康铜丝,其最后焊在板上的阻值,需要焊完以后测才准。焊接时,堆锡多一点,就可能造成相当于总长度1%以上的区别了。大家可以打开万用表看看里面的康铜丝,有的有一两道凿痕,这是用来作最后“校正”阻值的。
回复

使用道具 举报

发表于 2010-5-13 18:56 | 显示全部楼层
楼主辛苦。您的电路图别具一格,我看起来有点吃力。简单说说
1:您的目标是:12V2A?
2:12V电源供应运放;5V电源供应数字部分?,如果是,最好5V从15V直接入,数字部分的干扰会串入模拟部分。
3:555出负压如果输入15伏的时候可以直接出-12V,并且稳定性很好的;这部分好像有点绕。
4:电流取样对地的200K电阻用意不明,本来的0.1R上还要并这个?
5:电流取样调整放大倍数最好用固定的电阻,可变电阻的温漂不是一般的大。在软件中校准放大的倍数,总之没有绝对的必要不要用它,即使用也在最小的电阻范围使用,就是尽量算好,然后用固定电阻代替最大的部分,只在很小的范围使用可调电阻。
6:电压反馈的模拟部分没有看到输出的取样部分,如何实现模拟的反馈
7:功率输出部分能正常工作吗?
8:放电部分有实际应用的例子吗?继电器工作是毫秒级的,如果为保护负载,多数娇气的负载已经OVER了。
9:类似的功率部分一个致命的地方就是温漂,随着温度的升高,功率管的放大倍数也相应提高,输出电压也跟着提高,实话说,这个部分要是控制不好还达不到317的水平,这样用巨复杂的电路就有点得不偿失了。
回复

使用道具 举报

发表于 2010-5-13 19:14 | 显示全部楼层
典型线性调整率0.01%。
典型负载调整率0.1%。
80dB 纹波抑制比。


很高档的成品电源的参数  
电网调整率(电压)
0-3.999V:0.01%+3mV
4-18V:0.02%+10mV
电网调整率(电流)  0.02%+8mA
负载调整率(电压)  0.02%+20mV
负载调整率(电流) 0.02%+15mA
回复

使用道具 举报

 楼主| 发表于 2010-5-13 21:11 | 显示全部楼层
楼主辛苦。您的电路图别具一格,我看起来有点吃力。简单说说
1:您的目标是:12V2A?
2:12V电源供应运放 ...
fujiachun 发表于 2010-5-13 18:56 https://www.yleee.com.cn/images/common/back.gif



首先谢谢你的回复,使我学习到了不少东西
1:您的目标是:12V2A?
答:目标是10V/2A ,电压精度1mv(实际可能只能做到5MV)/电流精度0.01A,
2:12V电源供应运放;5V电源供应数字部分?,如果是,最好5V从15V直接入,数字部分的干扰会串入模拟部分。

答:这点我确实没有考虑到,如果7805直接从15V取电估计温升有点大,准备增加一个78L12(TO-92)的来专门为运放供电
3:555出负压如果输入15伏的时候可以直接出-12V,并且稳定性很好的;这部分好像有点绕。

答:这部分我实际测试过,实际上如果不加一个稳压块的话,输出那个12V有点抖动,本来以前用的是2倍压,最后改成3倍了,使用了稳压后还能防止运放零点漂移。
4:电流取样对地的200K电阻用意不明,本来的0.1R上还要并这个?

答:电流放大部分使用的是一个差动放大器,这是个标准的模型吧 ,呵呵可能是我画的不太明白
5:电流取样调整放大倍数最好用固定的电阻,可变电阻的温漂不是一般的大。在软件中校准放大的倍数,总之没有绝对的必要不要用它,即使用也在最小的电阻范围使用,就是尽量算好,然后用固定电阻代替最大的部分,只在很小的范围使用可调电阻。

  答:这点同意,不过软件来实现有点比较麻烦,前段时间做了一台PCB测试的机器,用了一个单片机来采集8路电压,也是用软件来修正的,很难达到5MV的精度,最后没办法制做到了10MV
6:电压反馈的模拟部分没有看到输出的取样部分,如何实现模拟的反馈

答:这个模型是用现在流行的恒流恒压电源里的恒压部分的一个模型,我在上面传的那本书里有详细的介绍
7:功率输出部分能正常工作吗?

  答:能的,简单的说明下工作工程:LM358的一个运放结成同向放大器,把R-2R传输来的电压信号放大2倍,然后输出给下一级运放的同相端,LM358的另外一个运放结成开环的电压跟随器,输出到达林顿组合
这个运放可以克服那个达林顿三级管和采样电阻的压降,是输出电压不应为负载的变化而变化
8:放电部分有实际应用的例子吗?继电器工作是毫秒级的,如果为保护负载,多数娇气的负载已经OVER了。

   答:放电的这个是后来我自己加上去的,主要是怕输出那个电容太大,调节电压时变化太慢,这个是通过软件来实现的
         继电器这个保护是模仿了一些高档电源,这些电源上都有一个OUT键,大致意思就是你可以把电压调节好了以后才把负载接入电路,还有一个作用就是在充电时,当电压充好后完全切断电池
9:类似的功率部分一个致命的地方就是温漂,随着温度的升高,功率管的放大倍数也相应提高,输出电压也跟着提高,实话说,这个部分要是控制不好还达不到317的水平,这样用巨复杂的电路就有点得不偿失了。

  答:呵呵,这点那个LM358就是用来补偿那个功率管和那个取样电阻的漂移的,这点我以前做过几个板子,效果还不错,我的那本书里也有详细的介绍
        现在的好多恒流恒压电源都是这样做的。
回复

使用道具 举报

本版积分规则

QQ|一淘宝店|手机版|商店|一乐电子 ( 粤ICP备09076165号 ) 公安备案粤公网安备 44522102000183号

GMT+8, 2025-11-24 08:59 , Processed in 0.043104 second(s), 28 queries , Gzip On.

Powered by Discuz! X3.5

© 2001-2025 Discuz! Team.

快速回复 返回顶部 返回列表