一乐电子

 找回密码
 请使用微信账号登录和注册会员

QQ登录

只需一步,快速开始

微信扫码登录

手机号码,快捷登录

手机号码,快捷登录

搜索
楼主: yuanjingjie

M8数控电源优化

 火.. [复制链接]
发表于 2010-5-14 09:01 | 显示全部楼层
运放是作为比较器来用的,不是电压跟随。
回复

使用道具 举报

发表于 2010-5-14 09:25 | 显示全部楼层
等待优化之后,出来的实体测试结果。
方案可以千千万万。
回复

使用道具 举报

发表于 2010-5-14 10:17 | 显示全部楼层
呵呵,我这个地方使用了运算放大器,运算放大器的开环增益好像是无穷大吧,这个地方的总增益是不是应该 ...
yuanjingjie 发表于 2010-5-14 08:56 https://www.yleee.com.cn/images/common/back.gif

我说的是用317代替功率管
您的图纸实际只是一个原型,这个电路我做过,实际的效果和317相似,他用78XX做的基准。基本类似的电源都是这个原理,但成品电源多有不同的改进。ct小尚弟也在这个的基础上有重新的设计。这个电路应该说比较老,是80年代的主流电路为提高电压稳定度多用2DW7,2DW132这类的温度补偿稳压管。
.带负载 能力有限----我是泛指这个系列---338K可以到5A,有机会可以买几只原装的138K来试试,这个才是317系列的真正实力。----这个只能说萝卜白菜,各有所爱
同样的电路,甚至相同的印板,自己做出来的肯定和商品的不一样(山寨除外),自己制作最大的优势是可以牺牲些成本来换取性能的改善。
回复

使用道具 举报

发表于 2010-5-14 11:37 | 显示全部楼层
单片机用STC带AD的,怎么样。
为什么都用M8系列的。
回复

使用道具 举报

 楼主| 发表于 2010-5-14 12:52 | 显示全部楼层
我说的是用317代替功率管
您的图纸实际只是一个原型,这个电路我做过,实际的效果和317相似,他用78XX做 ...
fujiachun 发表于 2010-5-14 10:17 https://www.yleee.com.cn/images/common/back.gif

首先要谢谢付老师给我提了那么多的意见,使用学习到了不少的东西
我今天再改那个电路图了,晚点传上来,希望付老师倒是后多多指教
回复

使用道具 举报

 楼主| 发表于 2010-5-14 13:04 | 显示全部楼层
本帖最后由 yuanjingjie 于 2010-5-14 14:53 编辑

首先还是要感谢大家给我这么多意见,以前做一些这方面的设计的时候都考虑的比较简单,
很多时候只要够用就可以了,最近因为在做一个低压马达控制的项目,这个东西是用电池
来供电的,使用那种模拟调节的电源很麻烦,前段时间偶然看到你们论坛里的这个M8-2R的
数控电源,感觉思路很好,但这个电路的电源输出部分不太好,再加上程序上能实现不了我的
功能,所以就想自己做一个能模拟出能按电池放电曲线来供电的电源,还要能测试通电的时间
(我的那个马达控制的板子上有个定时器,当马达转动一定时间后会自动的停下来,现在需要把
这个时间测量出来,我也想过从程序里面来实现,不过估计精度不会很高,估计还会占用一些程
序时间),这部分还没有想好怎么来实现,希望大家能给点这方面的意见
回复

使用道具 举报

 楼主| 发表于 2010-5-14 14:30 | 显示全部楼层
本帖最后由 yuanjingjie 于 2010-5-14 14:52 编辑

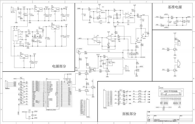
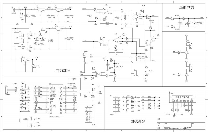
原理图从新画了一下,请大家帮我指出不足点,提出好的修改建议,争取这周末把PCB画出来,下周加工

Protel Schematic_副本.jpg
回复

使用道具 举报

发表于 2010-5-14 15:44 | 显示全部楼层
您到底要作啥?是马达控制还是数字电源,不明白。控制马达最好用PWM,这种方式大量电能被消耗掉了,电池供电可够呛
回复

使用道具 举报

 楼主| 发表于 2010-5-14 17:09 | 显示全部楼层
您到底要作啥?是马达控制还是数字电源,不明白。控制马达最好用PWM,这种方式大量电能被消耗掉了,电池供电 ...
fujiachun 发表于 2010-5-14 15:44 https://www.yleee.com.cn/images/common/back.gif

可能是我没有表达清楚
我现在做了个马达控制的板子,使用一节1.5V的电池供电,电池随着时间的变化电压会下降
现在想做一个电源,来代替这个电池。
回复

使用道具 举报

发表于 2010-5-14 18:44 | 显示全部楼层
請問fujiachun  大大, 您在19樓說的APS-305 是指 LPS-305 嗎??
那是相當精典的電源,不知是否有原理圖可分享?
回复

使用道具 举报

本版积分规则

QQ|一淘宝店|手机版|商店|一乐电子 ( 粤ICP备09076165号 ) 公安备案粤公网安备 44522102000183号

GMT+8, 2025-11-24 09:00 , Processed in 0.037443 second(s), 28 queries , Gzip On.

Powered by Discuz! X3.5

© 2001-2025 Discuz! Team.

快速回复 返回顶部 返回列表