一乐电子

 找回密码
 请使用微信账号登录和注册会员

QQ登录

只需一步,快速开始

微信扫码登录

手机号码,快捷登录

手机号码,快捷登录

搜索
楼主: yuanjingjie

M8数控电源优化

 火.. [复制链接]
发表于 2010-5-14 20:55 | 显示全部楼层
請問  大大, 您在19樓說的APS-305 是指 LPS-305 嗎??
那是相當精典的電源,不知是否有原理圖可分享?
kenny1234 发表于 2010-5-14 18:44 https://www.yleee.com.cn/images/common/back.gif

这个305品牌不同但是基本类似,这个是j版测绘的电路,在电源板块,从原理图推测,这个电源精度很高,带有波纹抑制,分析输出波纹也应该控制的很好,我自己正准备仿制。
回复

使用道具 举报

发表于 2010-5-15 00:05 | 显示全部楼层
謝謝指導,我去找找看
回复

使用道具 举报

发表于 2010-5-15 17:14 | 显示全部楼层
楼主有没有考虑做一个便携式的?
笔记本电源插头输入16-20V DC,
输出可调数控电源,功率不一定要很大,
20V 2A 基本够用了,但恒流恒压还是要的。
回复

使用道具 举报

发表于 2010-5-16 01:38 | 显示全部楼层
楼主有没有考虑做一个便携式的?
笔记本电源插头输入16-20V DC,
输出可调数控电源,功率不一定要很大,
...
wooz 发表于 2010-5-15 17:14 https://www.yleee.com.cn/images/common/back.gif


我倒是做过一个30V3A的,
回复

使用道具 举报

发表于 2010-5-16 18:05 | 显示全部楼层
期待楼主早些把它搞出来。。
回复

使用道具 举报

发表于 2010-5-17 20:14 | 显示全部楼层
等着看作品出来
回复

使用道具 举报

发表于 2010-5-18 07:20 | 显示全部楼层
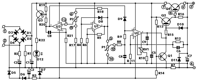
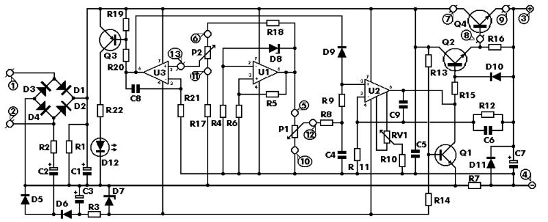
楼主看看这个电源,福建科学技术出版社的<电子制作实例集锦>,可以从0.002--3A, 0-30V.原电路使用3片LM741, 我去掉了参考电压一部分(添加了TL431构成的基准电压,可以单独由此板做模拟稳压电源); 用这个电源配合单片机就可以实现数控,由于稳压恒流部分是模拟环控制的,所以没有R-2R电源的不稳定的情况,比你的电路应该简洁一些。
schem_LOY5.gif
回复

使用道具 举报

发表于 2010-5-18 07:34 | 显示全部楼层
实物图:
DSCF1040.JPG
DSCF1043.JPG
右边的接口就是单片机AD采集以及V I 控制的端口,数控、模拟两用。
回复

使用道具 举报

发表于 2010-5-18 08:47 | 显示全部楼层
实物图:
右边的接口就是单片机AD采集以及V I 控制的端口,数控、模拟两用。
gmliwei 发表于 2010-5-18 07:34 https://www.yleee.com.cn/images/common/back.gif

真是养眼,做的漂亮,这个电源的精度很不错的,特别是D8要用温补稳压管比如2DW7之类的,当年曾经做过,这个稳压管现在好像绝种了,我还收藏两只...........
回复

使用道具 举报

发表于 2010-5-18 13:48 | 显示全部楼层
真是养眼,做的漂亮,这个电源的精度很不错的,特别是D8要用温补稳压管比如2DW7之类的,当年曾经做过,这 ...
fujiachun 发表于 2010-5-18 08:47 https://www.yleee.com.cn/images/common/back.gif


我把您说的稳压二极管这部分换成TL431了,这个板子去年我曾经带到北京去,想给您看看的,结果没能跟您见面,呵呵
回复

使用道具 举报

本版积分规则

QQ|一淘宝店|手机版|商店|一乐电子 ( 粤ICP备09076165号 ) 公安备案粤公网安备 44522102000183号

GMT+8, 2026-3-14 19:01 , Processed in 0.039550 second(s), 28 queries , Gzip On.

Powered by Discuz! X3.5

© 2001-2025 Discuz! Team.

快速回复 返回顶部 返回列表