一乐电子

 找回密码
 请使用微信账号登录和注册会员

QQ登录

只需一步,快速开始

微信扫码登录

手机号码,快捷登录

手机号码,快捷登录

搜索
楼主: 7r093

请大家分析电路

 火.. [复制链接]
 楼主| 发表于 2011-11-23 18:25 | 显示全部楼层

你已经在13楼照片里显摆过了~
谁都知道你不是买了一块~~
链接 发表于 2011-11-23 17:47 https://www.yleee.com.cn/images/common/back.gif



  那是老胡的照片啊
回复

使用道具 举报

 楼主| 发表于 2011-11-23 18:27 | 显示全部楼层
计算有误吧!16.7mA吧!
benli 发表于 2011-11-23 17:49 https://www.yleee.com.cn/images/common/back.gif



    是的,应该是0.0166..A,打错单位了,约16.7mA.
回复

使用道具 举报

 楼主| 发表于 2011-11-23 18:32 | 显示全部楼层
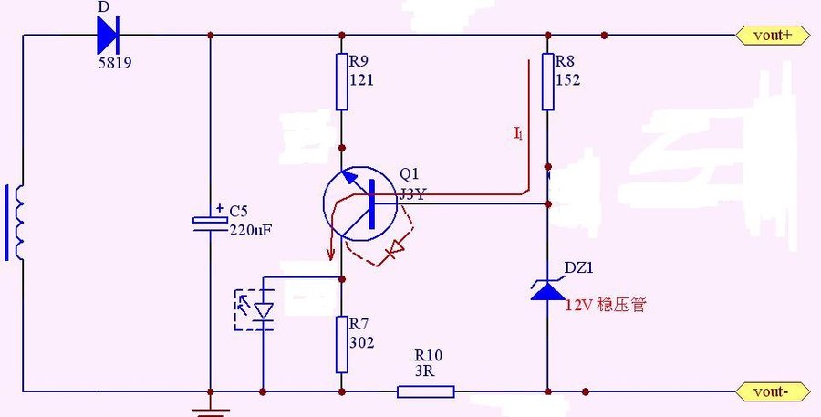
这电路有支路,还有二极管等非线性元件,不能用简单的欧姆定律来分析。
benli 发表于 2011-11-23 17:56 https://www.yleee.com.cn/images/common/back.gif



    我计算的都是通过电阻上的压降计得,没错啊。
回复

使用道具 举报

发表于 2011-11-23 19:03 | 显示全部楼层

标题

我计算的都是通过电阻上的压降计得,没错啊。
7r093 发表于 2011-11-23 18:32 https://www.yleee.com.cn/images/common/back.gif



    那你画张电路图,把每个节点的电压都标上,大家分析分析。
回复

使用道具 举报

 楼主| 发表于 2011-11-23 19:09 | 显示全部楼层
好的。待会上图。
回复

使用道具 举报

发表于 2011-11-23 20:41 | 显示全部楼层
我计算的都是通过电阻上的压降计得,没错啊。
7r093 发表于 2011-11-23 18:32 https://www.yleee.com.cn/images/common/back.gif



    这个电源的设计是有缺陷的,输出电压不稳定。

输出电压偏高,所以你测的电流偏大,实际上原设计应该没有这么大。

应该在三极管的集电极与正极间加上一个 9 V左右的稳压二极管,输出电压在10V左右。
回复

使用道具 举报

 楼主| 发表于 2011-11-23 22:19 | 显示全部楼层
刚才拆开DZ1和Q1测量了一下,DZ1实测是个12V稳压管,Q1的确是NPN管,管的脚位也没有错。
还有DZ1在PCB印的字符与实际安装是反的。看图。
DSC00407.JPG
回复

使用道具 举报

 楼主| 发表于 2011-11-23 22:51 | 显示全部楼层
本帖最后由 7r093 于 2011-11-24 00:11 编辑

上个图片上面有实测的一些数据。还有我把DZ1按照PCB印刷的方向装上,输出空载电压稳定在1.6V左右。
再编辑一下,图上(4X0.5W)是并联的,(3X1W)是串联的。

1.jpg
回复

使用道具 举报

发表于 2011-11-23 23:17 | 显示全部楼层
刚开始自学模电,看了很有启发,谢谢各位大大...
回复

使用道具 举报

 楼主| 发表于 2011-11-23 23:31 | 显示全部楼层
本帖最后由 7r093 于 2011-11-23 23:36 编辑

当DZ1反转安装后是不是这样分析,,Q1B-E反偏截止,B-C正偏导通,光耦反馈更深,使输出电压降低,这时因DZ1稳压值为12V截止,实测也是这样,3Ω电阻上没有压降。
如果将Q1换成PNP管觉得可以稳压,但是带载好像不能限流。
1.jpg
回复

使用道具 举报

本版积分规则

QQ|一淘宝店|手机版|商店|一乐电子 ( 粤ICP备09076165号 ) 公安备案粤公网安备 44522102000183号

GMT+8, 2025-11-25 16:48 , Processed in 0.040025 second(s), 28 queries , Gzip On.

Powered by Discuz! X3.5

© 2001-2025 Discuz! Team.

快速回复 返回顶部 返回列表