一乐电子

 找回密码
 请使用微信账号登录和注册会员

QQ登录

只需一步,快速开始

微信扫码登录

手机号码,快捷登录

手机号码,快捷登录

搜索
楼主: 无锡风

M8_R2R数控电源·套件——安装调试

 火.. [复制链接]
 楼主| 发表于 2009-7-31 22:34 | 显示全部楼层
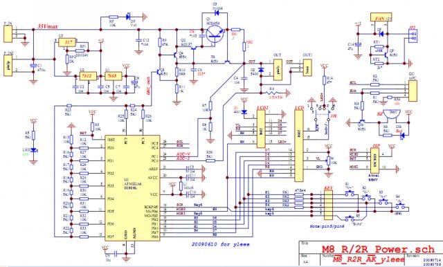
八、关于系统自身供电电压(含12V预稳压=风扇供电)Vcc:
  
    1、系统自身供电电压 Vcc=+5V,采取了“板载”7805提供的方式,以更加容易获得“稳定、干净”的“系统电源”;
    2、而在7805的前面,这款PCB并未“继承原版”的“稳压二极管降压”的方式,而是采用了两种“三端稳压器”——317或者7812、来进行“预稳压”的供电方式......以便为更大的负载(譬如LCD的背光)提供更大的电流可能性;
    3、预稳压的输出值,原则上采用12V左右的原因,是考虑可以“顺便”提供功率管散热器风扇的常规供电电压值12V;
    4、之所以“增加”了一个“可选”的“317预稳压”,是为高于35V的主输入电压、提供一个相对比7812的(35V的耐压指标)更加高一些的指标值;与此同时,亦可以提供一种更加灵活的“可调输出”的预稳压值(即不一定需要是12V);
    5、如前所述,本款PCB上面,317和7812两者是以“或”的方式、再与7805组成“与”的方式、来进行配合的——当然,您或许可以按照您的需要,使用“割+连”的方法,达到成自己的“组合方式”!
    6、重复提醒一下:
       7812、7805反面的“散热板”,都是“接地”的,可以方便地“直接安装”在同一块金属散热器或者散热片上面——比较方便;
       而317反面的“散热板”,是“接”输出端的,和7812/7805是不同的(虽然引脚排列都是pin2)——如果您使用317、并且要和7805安装在“同一块金属散热器或者散热片上”,务必注意把317和导电的金属散热器片加以绝缘!

回复

使用道具 举报

 楼主| 发表于 2009-8-2 08:12 | 显示全部楼层

续“八”

1、317预稳压的输出电压的调整——改变电阻RP1/RP2的分压比,即可改变317的输出电压;
       (见电路图)
       RP2=2K(标称值、下同),RP1两者均可:
       RP1=240时,输出电压稍低于12V;
       RP1=220时,输出电压稍高于12V;

2、LM317配套电阻值计算软件,可在以下链接下载:
        https://www.yleee.com.cn/viewthread.php?tid=15&extra=page%3D1&page=2   17楼
        LM317&TL431配套电阻值计算(绿色软件).rar (22.25 KB)


M8_R2R_yleee 参考电路图.PNG

    可下载 清晰的PDF格式的电路图

M8_R2R_yleee.pdf

30.42 KB, 下载次数: 2097, 下载积分: 一乐金币 -1

回复

使用道具 举报

 楼主| 发表于 2009-8-2 20:33 | 显示全部楼层
九、电路调试

    1、系统“供电电源”的预测试:
        系统的“供电电源”,实际上可以区分为两个部分:
        其一、是“功率电源”——是提供这款数控电源、输出“电压/电流”的主回路供电的——回路的连线安排了尽可能的直捷和足够的宽度(敷锡处理),一降低回路的内阻。
        其二、是MCU__M8及其外围电路的供电电压Vcc=5V——回路的供电,尽可能稳定和“干净”——注意去耦和旁路!

    2、在安装和焊接到“一定”的程度,最好多次进行以上“两路”电源供电的测试——可以使用12V左右的、一般的开关电源供电,测试7812和7805的各个“关键节点”的输出电压值,是否“正常”?
        第一次测试“输出电压”正常之后,就可以察看两个电源电压指示灯LED是否正常点亮。来进行“监测”......当然,为了“节省”,两个LED,亦可以不安装。
回复

使用道具 举报

 楼主| 发表于 2009-8-5 06:54 | 显示全部楼层

紧急插入:关于输出电流取样保护电阻功率指标的说明

注意:“输出电流·限流保护”的取样电阻 Rs1+Rs2=0.1/2W+0.1/W=0.2 /4W

        这个取样电阻通过的“极限电流”值(最大限流值),大约是3.5-3.8A;

        而且因为是限流护方式,一旦发生保护、输出电流会维持在这个“极限电流”值水平上,耗散功率将会非常大(2.5-3W)!

        这里附带说明一下,如果电阻上面的耗散功率达到其标志功率的1/2,电阻就会明显地“发烫”;而现在市面上的功率电阻,虚标其功率值的,则比比皆是!所以,一般功率电阻的功率指标,为了不至于过分发烫,宜取实际可能耗散功率的4-5倍以上。

        我在移植设计时,因为手头只有0.1/2W的功率电阻,就“勉强”使用了两个电阻来加大功率——考虑平时的工作电流一般多小于2A,Rs1+Rs2上面的耗散功率、将会小于2x2x0.2=0.8W——标称功率2+2=4w、尚可敷用.......

        如果您准备安装这个限流单元,而实际的“工作电流”,常常会大于2A,我建议您更换使用更大功率指标的功率电阻!
        同样,输出电流的取样电阻R4=0.5/5W的功率余量,基本上亦是按常规工作于2A的水平取值的——必要时,宜更换为0.5/10W或两个1/5W并联(叠放安装并联)为好!

      
回复

使用道具 举报

发表于 2009-8-7 22:12 | 显示全部楼层
非常的详细,顶起
回复

使用道具 举报

 楼主| 发表于 2009-8-9 17:22 | 显示全部楼层
1、先上传一篇原作者(老版)的《设计说明》 (翻译稿);
      (M8_R2R 数字电源 中文版说明书.rar —— fat 提供)
      反复仔细看看,会有助于调试工作的顺利进展......


2、再上传一份原作者的最新升级了的程序版本;
      (digitaldcpower-0.5.3.tar.gz)
      好像,只是在LCD显示程序的处理方面,有所改进?

M8_R2R 数字电源 中文版说明书.rar

542.63 KB, 下载次数: 2748, 下载积分: 一乐金币 -1

digitaldcpower-0.5.3.tar.gz

73.11 KB, 下载次数: 1751, 下载积分: 一乐金币 -1

回复

使用道具 举报

发表于 2009-8-10 17:34 | 显示全部楼层
有朋友还不清楚前级需要多提供多大大变压器作为供电电源
22V2.5A 版
你需要一个 18V2.5A 的变压器、一个整流器和一个 3000 uF
电容(原因:18×1.4=25V,起码 1000uF/A)
30V3A 版
你需要一个 24V3A 的变压器、一个整流器和一个 3000 uF
电容(原因:24×1.4=33.6V,起码 1000uF/A)
回复

使用道具 举报

发表于 2009-8-10 22:32 | 显示全部楼层
那么,直接用个19V3A笔记本电源做前级可以吧?
回复

使用道具 举报

 楼主| 发表于 2009-8-11 09:25 | 显示全部楼层
原帖由 scaniahino 于 2009-8-10 22:32 发表 https://www.yleee.com.cn/images/common/back.gif
那么,直接用个19V3A笔记本电源做前级可以吧?


笔记本电源做前级”——没有问题,最佳拍档!
    我自己,就是这样子配合使用的。
回复

使用道具 举报

发表于 2009-8-11 10:39 | 显示全部楼层
楼主曾经说过12V以上的就能用,那我需要5V电压,如果用22V输入那功率管需消耗的功率太大了,那我就用13V4A的开关电源,那样的话需要改M8的程序吗?还是接上去就能用
回复

使用道具 举报

本版积分规则

QQ|一淘宝店|手机版|商店|一乐电子 ( 粤ICP备09076165号 ) 公安备案粤公网安备 44522102000183号

GMT+8, 2025-11-24 00:25 , Processed in 0.037160 second(s), 28 queries , Gzip On.

Powered by Discuz! X3.5

© 2001-2025 Discuz! Team.

快速回复 返回顶部 返回列表