一乐电子

 找回密码
 请使用微信账号登录和注册会员

QQ登录

只需一步,快速开始

微信扫码登录

手机号码,快捷登录

手机号码,快捷登录

搜索
查看: 9583|回复: 61

求教:鍵盤A鍵和B鍵交替輸入效果

[复制链接]
发表于 2013-9-30 21:09 | 显示全部楼层 |阅读模式
將鍵盤上A鍵和B鍵的4個接觸點伸延出來(因為是接觸按鍵,所以每個按鍵都有2個接觸點),
我想透過一組電子零件來接駁伸延出的4個接觸點,
啟動該製成品後在顯示螢幕上出現ABABABAB...連續按鍵的效果。
當然如果使用軟件來達成簡直是易如反掌,但我需要透過電子零件來達成。

補充:
我不用來玩遊戲機用的,如果是可用按鍵精靈寫腳本就成了。
ABABABAB ... 交替鍵入效果的速度是可調教的。(例如1秒能做出10組AB ~ 30組AB)

本人對電子零件認識謹於皮毛,簡單用錫銲接還略懂。
所以如果有電子零件清單和電路圖就足夠了。

希望有高手達人幫一幫我。萬分感恩!

其中一個方法是用 " 繼電器 " ,但我不懂得用哪一款和如何控制它的速度。

Relay_02.jpg
发表于 2013-9-30 21:56 | 显示全部楼层
用自激多谐振荡器控制CD4066就可以了。

自激多谐振荡器可以用CD4011或555做,调整振荡回路的电阻即可实现速度调节。
回复

使用道具 举报

发表于 2013-9-30 23:26 | 显示全部楼层
用两个接通延时继电器和两个普通的继电器可以达到想要的效果。但我不会画图。
回复

使用道具 举报

 楼主| 发表于 2013-10-1 22:01 | 显示全部楼层
感謝兩位回覆 !!
請問還有高手幫幫我嗎?
回复

使用道具 举报

发表于 2013-10-2 03:44 | 显示全部楼层
本帖最后由 HFMBFUVR 于 2013-10-2 04:03 编辑

写了些代码,主要原理是用 keybd_event 函数模拟键盘按下、弹起,每一周期按下A键和B键各一次,可设定周期时间,不知道能否满足楼主要求

AB_Key.JPG



点击下载 AB_Key.zip (72.39 KB, 下载次数: 6)

回复

使用道具 举报

发表于 2013-10-2 15:43 | 显示全部楼层
可以。
用ps/2接口的键盘最好,

在键盘跟你的主机中间串一个装置。

这个装置是接收键盘的ps/2接口的spi信号,解码,再重新编码当新键盘发送到主机上去。

据说usb to usb的也有,装在网吧机子上盗号的......

回复

使用道具 举报

 楼主| 发表于 2013-10-2 19:19 | 显示全部楼层
HFMBFUVR 发表于 2013-10-2 03:44
写了些代码,主要原理是用 keybd_event 函数模拟键盘按下、弹起,每一周期按下A键和B键各一次,可设定周期 ...

如果我沒有理解錯,你所介紹的方便是從軟件程式方法。如果我的情況是可以用軟件解決,我可以利用按鍵精靈。寫腳本即可。

我是要從鍵盤上的A鍵和B鍵,利用電線伸延4點出來(因為每個接觸按鍵有2個接觸點,2個按鍵就有4個接觸點。)

所以我必須要用電子零件解決。

感謝回覆。 !!


回复

使用道具 举报

发表于 2013-10-3 08:27 | 显示全部楼层
。(例如1秒能做出10組AB ~ 30組AB)
一秒最多二次,不可能做出1秒10-30次的组合,长按一键可输入该键的一串字符,也达不到1秒10次以上
回复

使用道具 举报

发表于 2013-10-3 16:56 | 显示全部楼层
xxericxx 发表于 2013-10-2 19:19
如果我沒有理解錯,你所介紹的方便是從軟件程式方法。如果我的情況是可以用軟件解決,我可以利用按鍵精靈 ...

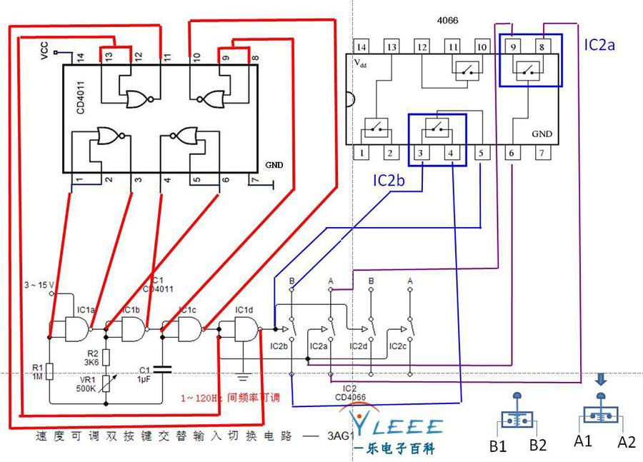
你想用电子零件做,前面已经告诉你了用CD4011和CD4066。

电路比较简单,外围没有几个零件:

速度可调双按键交替输入切换电路.GIF
回复

使用道具 举报

 楼主| 发表于 2013-10-5 00:10 | 显示全部楼层
本帖最后由 xxericxx 于 2013-10-5 01:28 编辑

我十萬分感激您,替我劃出路線圖。我理想是用乾電池,例如:1.5v x 4 或者 9v x1 。
我並不是長期啟動,但要每一日開動40秒。
我在網上找到有關IC(集成電路) CD4011 和 CD4066
而且畫出IC腳之對應接點,是否正確 ?
還有:
1粒 電容 1uf (請問多少v)
而且電容兩隻腳有分正負,你的路線上該接那一邊正極?那一邊負極?(我知道電容上有分長短腳及印上負極指示)
電阻分別是一粒 1M 和 1粒 3K6 (這個應該無問題)
但是可變電阻有3接點,但你的圖只得2點,請問怎樣接 ?
請問CD4011是否這樣編排:
IC1a 1,2,3
IC1b 4,5,6
IC1c 8,9,10
IC1d 11,12,13

最後CD4066 的慨念:IC2b2 接去 3,4,5 可以嗎 ?還是 :
IC2b 接點 1,2,13
IC2a 接點 3,4,5
IC2d 接點 6,8,9
IC2c 接點 10,11,12
CD 4066 ,其他沒有接點,也沒有接電源 ,可以運作嗎 ?

感謝你!
增加了一幅圖,這樣表達給你可能較清晰。







1M電阻.jpg
3K6電阻.jpg
500K可變電阻.jpg
1uf電容.jpg
Final_02.JPG
Final_03.jpg
CD4011_04.JPG
CD4066_02.jpg
回复

使用道具 举报

本版积分规则

QQ|一淘宝店|手机版|商店|一乐电子 ( 粤ICP备09076165号 ) 公安备案粤公网安备 44522102000183号

GMT+8, 2025-11-27 17:34 , Processed in 0.044654 second(s), 30 queries , Gzip On.

Powered by Discuz! X3.5

© 2001-2025 Discuz! Team.

快速回复 返回顶部 返回列表