一乐电子

 找回密码
 请使用微信账号登录和注册会员

QQ登录

只需一步,快速开始

微信扫码登录

手机号码,快捷登录

手机号码,快捷登录

搜索
楼主: xxericxx

求教:鍵盤A鍵和B鍵交替輸入效果

[复制链接]
 楼主| 发表于 2013-10-8 00:13 | 显示全部楼层
本帖最后由 xxericxx 于 2013-10-8 00:17 编辑

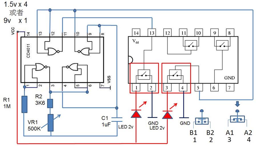
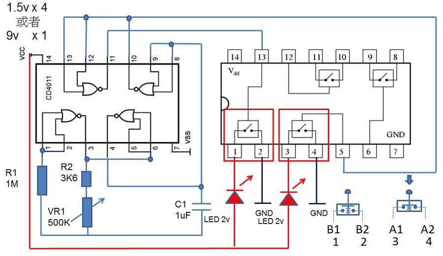
十萬分感激 "3AG1" 的協助,我成功做到了。
但有許少不足之處。
我利用2粒2v的LED,可做出互相交替閃爍,來模擬出兩鍵互相交替按鍵效果。(我不知道這樣對電路有沒有影響)
但如果接去鍵盤上,每當我關掉"自動按鍵裝置"電源時,A鍵或B鍵就會出現長按不放效果。
有別的網友教我用鍵盤中的電源同上同下。但不適合我用。
因為我需要在電腦使用狀態中安全地卸除"自動按鍵裝置",而且我不要用鍵盤中的電源。
高手還有方法解決這個現狀嗎?
感激萬分!

Final_04_LEDX2_02.jpg
回复

使用道具 举报

 楼主| 发表于 2013-10-8 00:24 | 显示全部楼层
另外問題一問,剛貼上的帖子,可以修改編輯,但同一個帖子,比較久的,就不可修改?例如我10樓的資料比較亂,
有辦法讓我修改較舊的帖子或回覆嗎?

感謝各位教路,謝謝!
回复

使用道具 举报

发表于 2013-10-8 20:59 | 显示全部楼层
xxericxx 发表于 2013-10-5 00:10
我十萬分感激您,替我劃出路線圖。我理想是用乾電池,例如:1.5v x 4 或者 9v x1 。
我並不是長期啟動,但 ...

1uF的电容最好不用电解电容器。

应该用有机薄膜电容,比如常见的CL涤纶电容、CBB聚苯乙烯电容,或者用安规电容。电容耐压大于25V的都可以。

下面那张图里。发光二极管的正极与Vcc 间应该串接一只360 ~ 1K 的限流电阻。
回复

使用道具 举报

发表于 2013-10-8 21:05 | 显示全部楼层
“但如果接去鍵盤上,每當我關掉"自動按鍵裝置"電源時,A鍵或B鍵就會出現長按不放效果。
有別的網友教我用鍵盤中的電源同上同下。但不適合我用。
因為我需要在電腦使用狀態中安全地卸除"自動按鍵裝置",而且我不要用鍵盤中的電源。
高手還有方法解決這個現狀嗎?”

简单的方法就是把电源开关换一下,改成3刀的,其中一个刀位控制电源,另外两个刀位与电子开关串联,这样改后关闭电源,电子开关就与键盘彻底断开,不会影响键盘的使用。
回复

使用道具 举报

 楼主| 发表于 2013-10-8 22:28 | 显示全部楼层
本帖最后由 xxericxx 于 2013-10-8 22:33 编辑

发光二极管的正极与Vcc 间应该串接一只360 ~ 1K 的限流电阻。 (我會跟進,明天買)
你所指的開關掣應該有3把刀,掣腳應該有9個接觸點的那一款,對嗎? (因為我買錯了雙刀6個接點)
電容方面,我也買了另一款,店員跟我說,這款沒有分正負(黃色的那一顆)1uF 50v,你指的是這款嗎?
這個是什麼構成林料我沒有記著。

還有...現在的制成品已經成功了,但如果想令速度變得更快,應該更改那一方面?
謝謝你!
1uf電容_買2.jpg
回复

使用道具 举报

发表于 2013-10-9 22:03 | 显示全部楼层
xxericxx 发表于 2013-10-8 22:28
发光二极管的正极与Vcc 间应该串接一只360 ~ 1K 的限流电阻。 (我會跟進,明天買)
你所指的開 ...

黄色的电容可以。

要想再增快速度,可以把电容减小一些,比如说用0.47uF的,速度就会快大约一倍。
回复

使用道具 举报

 楼主| 发表于 2013-10-9 23:38 | 显示全部楼层
本帖最后由 xxericxx 于 2013-10-9 23:44 编辑

3AG1
你介紹的電容還未買到。開關掣已買回,今天測試過效果良好。所以最後有幾點想跟你確認一下:
1>路線圖上的電容接去CD4011之4號腳,是正極還是負極? (現在如果我用電解電容器就接正,如果用黃色之電容就沒有分別,因為我兩端也試過OK)
2>可變電阻我是根據網上教,才這樣接的,不知是否對錯? (效果是順時針方向扭,A、B、A、B會越快)
補充一下:如果我將可變電阻逆時針扭到最盡為起跑點,開始的效果是(AAAABBBBAAAABBBB),向順時針方向扭約1/4圈效果是(AABBAABB),再順時針方向扭1/4圈效果是(ABABABAB)較慢的,最後順時針方向扭到最盡時效果是(ABABABABABABABABAB) 約1秒 12~14組。之前半圈的不理想效果我可以忽略不理會,但後半圈理想效果可否加快?從哪個電子零件動手?
3>發光2極管已增加限流電阻,而且最後決定用鍵盤上的電源(應該5v吧),再改善用上3刀2檔的開關掣(1切斷我的零件電源、2和3切斷連按A、B鍵)效果良好。


可變電阻接法XYZ_03.jpg
回复

使用道具 举报

 楼主| 发表于 2013-10-9 23:49 | 显示全部楼层
我 23:40才見到你 22:28 16樓的回覆,非常抱歉!
明天會試一試 0.47uF 黃色的電容。
謝謝你!
回复

使用道具 举报

发表于 2013-10-10 08:28 | 显示全部楼层
让三阿哥帮你把波形改成低占空比的波形就不会出现AAABBB这种连续情况了。
回复

使用道具 举报

 楼主| 发表于 2013-10-10 12:59 | 显示全部楼层
本帖最后由 xxericxx 于 2013-10-10 13:06 编辑
天风雪雨 发表于 2013-10-10 08:28
让三阿哥帮你把波形改成低占空比的波形就不会出现AAABBB这种连续情况了。

波形 ... 好像很複雜。
我對電子零件是新人。
回复

使用道具 举报

本版积分规则

QQ|一淘宝店|手机版|商店|一乐电子 ( 粤ICP备09076165号 ) 公安备案粤公网安备 44522102000183号

GMT+8, 2025-11-27 17:34 , Processed in 0.037097 second(s), 28 queries , Gzip On.

Powered by Discuz! X3.5

© 2001-2025 Discuz! Team.

快速回复 返回顶部 返回列表