一乐电子

 找回密码
 请使用微信账号登录和注册会员

QQ登录

只需一步,快速开始

微信扫码登录

手机号码,快捷登录

手机号码,快捷登录

搜索
楼主: kangdage

图解十步开关电源模块改可调

 火... [复制链接]
发表于 2014-7-7 21:09 | 显示全部楼层
好帖,认真学习。
回复

使用道具 举报

发表于 2014-7-7 21:11 来自手机 | 显示全部楼层
散热片还没装,1A放电正常,功率管Vbe负0.7伏左右,暂时认为正常吧
回复

使用道具 举报

 楼主| 发表于 2014-7-7 21:14 | 显示全部楼层
freesl 发表于 2014-7-7 18:49
是电感最后缠绕处有两个短路点,压下电感短路点分开,输出正常。 分析如下: 电感与电路板有个角度,固定的 ...

乖乖,你这图做的真好,下了不少功夫啊。从你的描述看你发热的原因是关断不足,驱动三极管没有完全消耗驱动变压器感应的电流造成关断迟缓无力。
减小这个分压比使驱动三极管基极电压上升。
tl494电源电压10v有点低了,不知道你是在输出多少伏实测的。
我手里的电源24v输出这个电压在16-20v左右,也许是这个电压的影响。
这个电压没有经过电感,是次级整流直接输出的,输出电压基本恒定,随输出负载的增大少许上升。
然后经过一个限流电阻送到tl494。

电感短路的话对输出波纹和电压电流调整有影响,跟发热基本无关吧!
不过确实会影响输出电压,如果短路的厉害输出就会失控,尤其是短路状态。

你这个电源实属个例吧!反正我是没碰上这么难修的电源。
发热还是要处理的啊!
当然我也见过输出1a就发热的电源,估计和你的这个原因差不多。
我手上自用的电源基本都是肖特基发热比较严重,所以建议大家要用双肖特基。

弄好了跟我说一声,都快成心病了,总是刷新等你的进展。

评分

参与人数 1一乐金币 +20 收起 理由
freesl + 20 很给力!

查看全部评分

回复

使用道具 举报

 楼主| 发表于 2014-7-7 21:18 | 显示全部楼层
freesl 发表于 2014-7-7 18:49
是电感最后缠绕处有两个短路点,压下电感短路点分开,输出正常。 分析如下: 电感与电路板有个角度,固定的 ...

乖乖,你这图做的真好,下了不少功夫啊。从你的描述看你发热的原因是关断不足,驱动三极管没有完全消耗驱动变压器感应的电流造成关断迟缓无力。
减小这个分压比使驱动三极管基极电压上升。
tl494电源电压10v有点低了,不知道你是在输出多少伏实测的。
我手里的电源24v输出这个电压在16-20v左右,也许是这个电压的影响。
这个电压没有经过电感,是次级整流直接输出的,输出电压基本恒定,随输出负载的增大少许上升。
然后经过一个限流电阻送到tl494。

电感短路的话对输出波纹和电压电流调整有影响,跟发热基本无关吧!
不过确实会影响输出电压,如果短路的厉害输出就会失控,尤其是短路状态。

你这个电源实属个例吧!反正我是没碰上这么难修的电源。
发热还是要处理的啊!
当然我也见过输出1a就发热的电源,估计和你的这个原因差不多。
我手上自用的电源基本都是肖特基发热比较严重,所以建议大家要用双肖特基。

弄好了跟我说一声,都快成心病了,总是刷新等你的进展。
回复

使用道具 举报

发表于 2014-7-7 21:58 来自手机 | 显示全部楼层
kangdage 发表于 2014-7-7 21:18  乖乖,你这图做的真好,下了不少功夫啊。从你的描述看你发热的原因是关断不足,驱动三极管没有完全消耗驱 ...

谢谢你的关注!
昨天孩子发烧一天,没怎么调试,晚上的时候发现电感有问题。
刚刚在功率管上夹散热片,双肖特基没加散热片,3A测试,功率管不怎么热,肖特基捏紧了烫手,瞬间9.7A测试几秒电压从20.7降到20.3V,电源应该是正常了。
输出20.7是电位器调的,此时494电压15.7。跟你描述的一样。
回复

使用道具 举报

 楼主| 发表于 2014-7-7 22:20 | 显示全部楼层
freesl 发表于 2014-7-7 21:58
谢谢你的关注!
昨天孩子发烧一天,没怎么调试,晚上的时候发现电感有问题。
刚刚在功率管上夹散热片, ...

孩子生病确实揪心。
你再试一下24v输出时的发热吧!
没改tl494外供电时不建议大范围改输出。

3a负载不热的话,基本就够用了吧!
等你改好交作业哦!

评分

参与人数 1一乐金币 +20 收起 理由
freesl + 20 很给力!

查看全部评分

回复

使用道具 举报

发表于 2014-7-7 22:40 来自手机 | 显示全部楼层
kangdage 发表于 2014-7-7 22:20  孩子生病确实揪心。  你再试一下24v输出时的发热吧!  没改tl494外供电时不建议大范围改输出。

24V3A发热带散热片不烫手,494电压空载时18.75V,带载后24.3V。

交作业是必须的,呵呵
回复

使用道具 举报

 楼主| 发表于 2014-7-7 23:04 | 显示全部楼层
freesl 发表于 2014-7-7 22:40
24V3A发热带散热片不烫手,494电压空载时18.75V,带载后24.3V。

交作业是必须的,呵呵

仔细看了下你的板子发现跟我手里的不是一般的像。
这一个电源还没全弄完。
因为上一个原设计有风扇感觉不爽,改了准备在厂里用,用胶布随便一缠了事。
这一个准备弄回家用,要穿马甲,所以费了番周折。
等弄完了我也测一下发热情况,跟你对比下。

功率管脚少剪点,尽量让功率管在散热片的中心,我这个原设计剪得有点多了。

点评

0.01毫欧电阻的话,改20A量程的电流表头也没问题了  发表于 2014-7-8 11:37
我看你做第一个的时候,做两种电源给表头供电。 我这儿有200mA量程的4位半的数显表头(采样电压最大是200mV的,改200V电压表应该没问题)和12V转5V的隔离DC-DC,都是拆机件。 需要的送你几套。  发表于 2014-7-8 11:36

评分

参与人数 1一乐金币 +20 收起 理由
freesl + 20 很给力!

查看全部评分

回复

使用道具 举报

发表于 2014-7-8 17:32 | 显示全部楼层
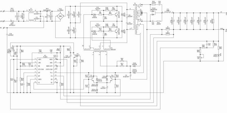
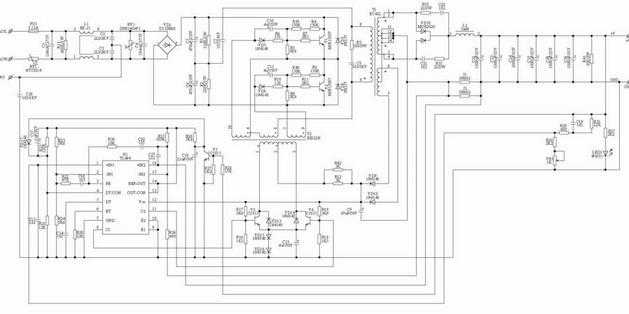
2358231228718760.gif
多谢楼主教程,也上传一个清晰的电路图。
回复

使用道具 举报

 楼主| 发表于 2014-7-8 20:40 | 显示全部楼层
本帖最后由 kangdage 于 2014-7-8 20:44 编辑
freesl 发表于 2014-7-7 22:40
24V3A发热带散热片不烫手,494电压空载时18.75V,带载后24.3V。

交作业是必须的,呵呵

那两个电源是分别给这两个模块配的。
第一个改的模块用的数显表头带7660负压,而且变压器电压不足。
根据改装效果感觉不如我送人的那个效果好,送人的那个是双12v跟剩下这个变压器一样。
实际感受7660负压不如7905来的稳定,电压表因为2v量程受干扰很轻,电流表有十个左右的跳字。
7905提供负压的话基本不跳字。
有负压的话可以配合正压给电流电压设定调零。
没有负压的话受pcb压降影响,电流无法从零起调,第一个模块电流是从600ma起调的。

目前在弄得这个模块受外壳体积限制,尝试改用一个小开关电源供电。
用的dvd通用电源,输出5v1a、+-12v500ma。
今天测了一下25v就能输出5v400ma,你之前不是找过这种电源吗?八块一个,挺便宜。

我最近拆到几个5v转12v的,还没想到什么地方用。12v转5v有两片3r33,刚买的还没研究呢。
四位半的表头不错,我屯了几片7135也是四位半的。
刚拆到几片5532,下次用这个24位的。

谢谢你的金币,给了好多偶,发财了。


回复

使用道具 举报

本版积分规则

QQ|一淘宝店|手机版|商店|一乐电子 ( 粤ICP备09076165号 ) 公安备案粤公网安备 44522102000183号

GMT+8, 2025-11-24 00:10 , Processed in 0.041860 second(s), 35 queries , Gzip On.

Powered by Discuz! X3.5

© 2001-2025 Discuz! Team.

快速回复 返回顶部 返回列表