一乐电子

 找回密码
 请使用微信账号登录和注册会员

QQ登录

只需一步,快速开始

微信扫码登录

手机号码,快捷登录

手机号码,快捷登录

搜索
楼主: shqi2003

手工制作1.9mm的模块的16X64双色点阵屏(下)PCB制作

 火... [复制链接]
 楼主| 发表于 2011-4-18 16:53 | 显示全部楼层
本帖最后由 shqi2003 于 2011-4-18 16:57 编辑

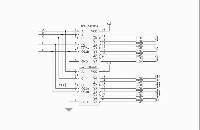
这个就是我第一次的实验板138的连接图。H1-H16就是模块的正面行顺序,是IC2----6脚接VCC。画的不是很标准。
我的138图.jpg
回复

使用道具 举报

发表于 2011-4-18 18:23 | 显示全部楼层
本帖最后由 倪大德 于 2011-4-18 18:32 编辑

回复 231# shqi2003


             又搞了个通宵。沈兄辛苦了!


      一切以通用,适用为前提! 点阵显示板应该没啥变化! 接口完全可在行板上改动!


      今天又化了半天时间将点阵板所有走线重新检查了遍!


      请将您好实验好的行板电路图(适应现行点阵显示板接口)发至我邮箱!


      修正后的点阵显示板图


      
456.JPG


发帖发现多了个头像!


未命名.GIF
回复

使用道具 举报

 楼主| 发表于 2011-4-18 18:54 | 显示全部楼层
本帖最后由 shqi2003 于 2011-4-18 19:03 编辑

点阵显示板应该没啥变化!】是。 接口完全可在行板上改动】是。


      今天又化了半天时间将点阵板所有走线重新检查了遍,】OK,我也会看的。


      请将您好实验好(适应现行点阵显示板接口)发至我邮箱!】是不是行板的138的16行输出,连接到显示屏16行的说明,2块板对插接口不用改,只要138的原来H1要改到H16,原来的H16改接的H1,其他也是这个顺序改。
行板顺序修改说明.jpg

行板顺序补充说明.jpg

    138  行原理图应该是这样连接的显示板接口。


138原理图效果说明 .jpg

这里的H1就是显示模块正面的第一行,H16实际就是模块正面看第十六行
如有不清楚告诉我。
回复

使用道具 举报

发表于 2011-4-18 18:57 | 显示全部楼层
行控制板和点阵屏上留有插针就好,到时用排线接,

我是比较想用排线接上。
回复

使用道具 举报

 楼主| 发表于 2011-4-18 19:13 | 显示全部楼层
也可以这样看。

就是这样行板顺序.jpg
回复

使用道具 举报

 楼主| 发表于 2011-4-18 21:05 | 显示全部楼层
刚才按照上面的说明修改后,比较适合大多数的控制卡显示了。

显示 行板实物图.jpg

显示OK了.jpg
回复

使用道具 举报

发表于 2011-4-18 23:23 | 显示全部楼层
各位兄弟辛苦了!如出套件我订一套!
回复

使用道具 举报

发表于 2011-4-19 06:13 | 显示全部楼层
本帖最后由 倪大德 于 2011-4-19 06:17 编辑

            从整个PCB设计到改动的过程,分析现在的控制卡,感觉自己确实老了!已跟不上现代设计了。



   

             其一。自己玩点阵,从没购过一块控制卡,也从没用过一次控制卡,只是自己编个小软件!

             搞个简单地类似控制卡的玩玩!因此设计接口时从没考虑过和现在的控制卡兼用!


             其二,现在才知道,现在的控制卡,一般是直接将595-13P接地,而本人却还在对595-13P三态门开放

             信号情有独钟。原因自己用洞洞板玩,比不了成品。各种飞线乱布,难免会有干扰!虽然多用了

             一个IO口,但用作列控制,用于一行字符显示完,用于读取温度,读取时钟信息的间隙,

             当出现高阻态时,会使自制的屏幕更干净。因此第一版PCB设计时,有意的引出13引脚,

             但这种设计却不适应现在的控制卡!


             其三。控制卡对行控制的方式看了沈兄的接口更改图就明白了。

             如果是以我的PCB为准,反的是控制卡。而现在当然顺应大流,与时俱进,以控制卡为统一标准了。只能是拨乱反正!

             这是运行仿真图和138仿真图


             138.JPG 156.JPG

            



              从138仿真可见,当ABCD=0000  对应的是Y0为低电平,点亮一行,直至1111,点亮第15项。对138本人习惯于

            从0000到1111完成一个汉字的行扫,现在的PCB就是如此设计的。而控制卡却是从1111到0000完成一个

            汉字的行扫,如果说1111是汉字的字头的话,0000就是汉字的字脚。因此不改字模的话,用控制

            卡控制我设计的PCB刚好显示的汉字颠倒!




                 结论:真的落伍了!
回复

使用道具 举报

发表于 2011-4-19 06:15 | 显示全部楼层
刚才按照上面的说明修改后,比较适合大多数的控制卡显示了。
shqi2003 发表于 2011-4-18 21:05 https://www.yleee.com.cn/images/common/back.gif



            明白了!以适合大多数的控制卡显示为准!
回复

使用道具 举报

发表于 2011-4-19 06:47 | 显示全部楼层
倪工!
回复

使用道具 举报

本版积分规则

QQ|一淘宝店|手机版|商店|一乐电子 ( 粤ICP备09076165号 ) 公安备案粤公网安备 44522102000183号

GMT+8, 2025-11-24 00:25 , Processed in 0.042019 second(s), 28 queries , Gzip On.

Powered by Discuz! X3.5

© 2001-2025 Discuz! Team.

快速回复 返回顶部 返回列表