一乐电子

 找回密码
 请使用微信账号登录和注册会员

QQ登录

只需一步,快速开始

微信扫码登录

手机号码,快捷登录

手机号码,快捷登录

搜索
楼主: shqi2003

手工制作1.9mm的模块的16X64双色点阵屏(下)PCB制作

 火... [复制链接]
 楼主| 发表于 2011-4-17 23:48 | 显示全部楼层
本帖最后由 shqi2003 于 2011-4-17 23:50 编辑
目标很接近了!不知道两块板子的尺寸是多大?
weihegeng 发表于 2011-4-17 23:37 https://www.yleee.com.cn/images/common/back.gif



    显示板6887/100X2.54=175mm   1644.7/100X2.54=41.7mm
    行板2195/100X2.54=55.7mm    1604/100X2.54=40.7mm


不过为了万无一失,准备按照现在的PCB板刚刚又重新更改实验板,发现情况有点不对,正在~~~~~~~~~~~~~~~~~~~~~。
回复

使用道具 举报

发表于 2011-4-18 06:51 | 显示全部楼层
本帖最后由 倪大德 于 2011-4-18 06:56 编辑

为防有误。特作说明如下:

   一。
         点阵接口(正面   点阵显示面)


接口图.GIF



二。
      为和行板相接。(行板是叠加在显示面的反面)

     显然, 显示面的反面才是关注的接口,见下图:

接口反面图.GIF


      要实现二板插座对插,显示面的反面也是行板的正面!


回复

使用道具 举报

发表于 2011-4-18 07:05 | 显示全部楼层
     
       沈兄:

      在确定制板前务请你抽时间复查一下PCB走线是否有误!

      如果这二天我有时间话,也会再次复查一遍!
回复

使用道具 举报

 楼主| 发表于 2011-4-18 15:16 | 显示全部楼层
本帖最后由 shqi2003 于 2011-4-18 15:20 编辑
为防有误。特作说明如下:

   一。
         点阵接口(正面   点阵显示面)






二。
      ...
倪大德 发表于 2011-4-18 06:51 https://www.yleee.com.cn/images/common/back.gif



   为了做到万无一失,感觉还是按照这次PCB再重新修改实验板试验, 昨天晚上搞了个通宵,显示结果是文字还是上下反的,分析了一下原因,现在刚刚起床其原因正在整理相关说明。

单片机显示1.9模块.JPG
控制卡1.9模块显示.JPG
回复

使用道具 举报

发表于 2011-4-18 16:02 | 显示全部楼层
如果仅仅是文字显示“反了”,可以软件处理的罢?
两位辛苦啦!!!
回复

使用道具 举报

 楼主| 发表于 2011-4-18 16:04 | 显示全部楼层
本帖最后由 shqi2003 于 2011-4-18 16:06 编辑

整理一点说明一点,我现在的实验板,是按照图1,图2,图3。【如果仅仅是文字显示“反了”,可以软件处理的罢?】实际显示反问题已经不在这里,原因一步一步说明。
图1.jpg

图2.jpg

图3.jpg
回复

使用道具 举报

 楼主| 发表于 2011-4-18 16:10 | 显示全部楼层
如果仅仅是文字显示“反了”,可以软件处理的罢?
两位辛苦啦!!!
无锡风 发表于 2011-4-18 16:02 https://www.yleee.com.cn/images/common/back.gif



    一般情况下,如果是用单片机出现反显问题,字模取上下反就OK,但是要适合市场上的大部分控制卡,还是在PCB的设计上,为什么,正在整理资料来说明。
回复

使用道具 举报

发表于 2011-4-18 16:19 | 显示全部楼层
一般情况下,如果是用单片机出现反显问题,字模取上下反就OK,但是要适合市场上的大部分控制卡, ...
shqi2003 发表于 2011-4-18 16:10 https://www.yleee.com.cn/images/common/back.gif

言之有理。
回复

使用道具 举报

 楼主| 发表于 2011-4-18 16:41 | 显示全部楼层
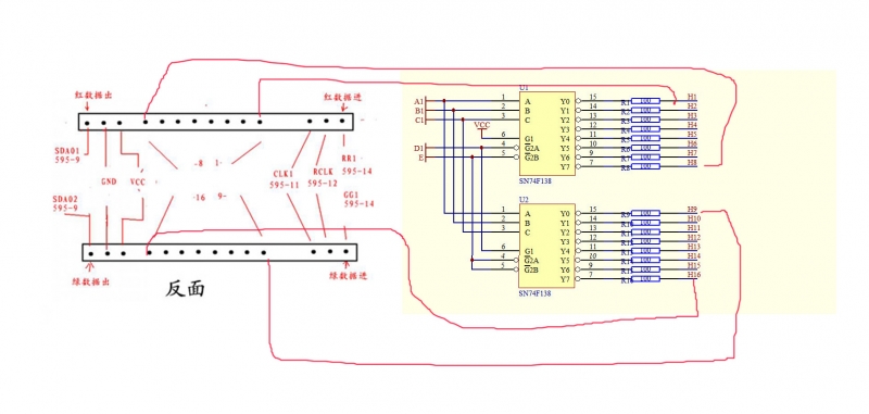
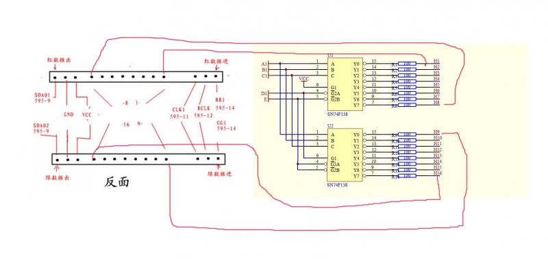
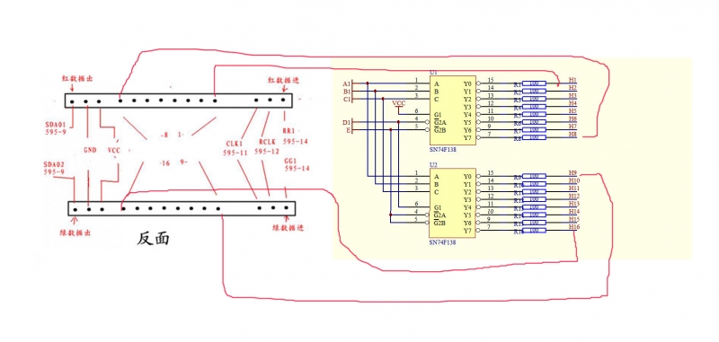
这个138原理图是这次用的原理图。
138原理图说明.jpg
昨天晚上我把家里的点阵屏,凡是列用595,行用138的板基本都找出来了,和上面的原理图一样,用现在的单片机板测试都正常【不修改程序】,用上贴的控制卡测试也都显示正常【不修改控制卡软件】。

检查了这些点阵屏的PCB设计,发现一个共同点,就是以图中的U1芯片来说,在设计板的时候,这个U1连接方式的H1【Y0】的输出不是连接到模块的第一行,【从模块正面看】是连接到第十六行【从模块正面看】。

如果手上有这个595+138的朋友是不是也核对一下,是不是我理解的这个情况。

所以我想,是不是还是因为138输出连接反了,所以显示反了的个原因。

上面说明仅仅是为了这个PCB能够适合控制卡。
回复

使用道具 举报

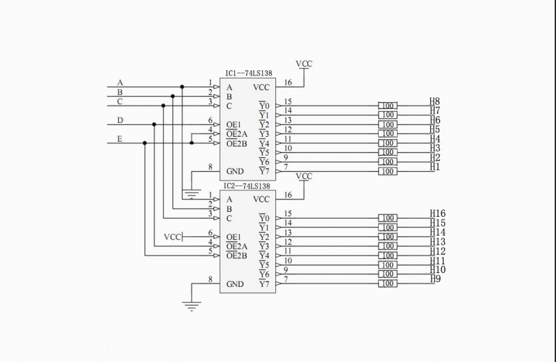
 楼主| 发表于 2011-4-18 16:53 | 显示全部楼层
本帖最后由 shqi2003 于 2011-4-18 16:57 编辑

这个就是我第一次的实验板138的连接图。H1-H16就是模块的正面行顺序,是IC2----6脚接VCC。画的不是很标准。
我的138图.jpg
回复

使用道具 举报

本版积分规则

QQ|一淘宝店|手机版|商店|一乐电子 ( 粤ICP备09076165号 ) 公安备案粤公网安备 44522102000183号

GMT+8, 2026-5-30 00:07 , Processed in 0.033311 second(s), 27 queries , Gzip On.

Powered by Discuz! X3.5

© 2001-2025 Discuz! Team.

快速回复 返回顶部 返回列表