一乐电子

 找回密码
 请使用微信账号登录和注册会员

QQ登录

只需一步,快速开始

微信扫码登录

手机号码,快捷登录

手机号码,快捷登录

搜索
楼主: 无锡风

是否“自制电容储能点焊机”?

 火... [复制链接]
发表于 2011-5-29 12:19 | 显示全部楼层
应该是仍然可以做“淌锡处理”工艺的哦。
至于“并导线”,因为是“手工”进行,不知道为什么“更没办 ...
无锡风 发表于 2011-5-29 11:16 https://www.yleee.com.cn/images/common/back.gif

我说的淌锡不是PCB厂家给做的处理,是自己在开窗部分上焊锡,正面不是布满了电容吗?不就不好处理了?
回复

使用道具 举报

 楼主| 发表于 2011-5-29 12:34 | 显示全部楼层
那还不如加焊铜丝,焊锡的电阻率是比较大的。
benli 发表于 2011-5-29 12:04 https://www.yleee.com.cn/images/common/back.gif

当然,如果”需要“,完全可以在锡层之上“加焊铜丝”。

最大的问题就是电容短路放电很容易损坏。
benli 发表于 2011-5-29 12:09 https://www.yleee.com.cn/images/common/back.gif

      原创者就是基于此考虑,才采用“多个电容器并联成大电容量”的方式——这个是其创意的关键。
      在原帖里,原作者有具体的实验数据,说明已经安全使用万次——而使用大容量电容器,只能数十次(具体请查看原帖)。
      我认为“言之有理”......
回复

使用道具 举报

 楼主| 发表于 2011-5-29 12:39 | 显示全部楼层
我说的淌锡不是PCB厂家给做的处理,是自己在开窗部分上焊锡,正面不是布满了电容吗?不就不好处理了?
gmliwei 发表于 2011-5-29 12:19 https://www.yleee.com.cn/images/common/back.gif

1、“自己在开窗部分上焊锡”——何谓“开窗部分”?
      我还没有弄懂......请指教。

2、“正面不是布满了电容吗?不就不好处理了”?
      可以在安装电容器“之前”,预先进行“处理”罢......不行吗?   
回复

使用道具 举报

发表于 2011-5-29 13:27 | 显示全部楼层
回复 47# 无锡风

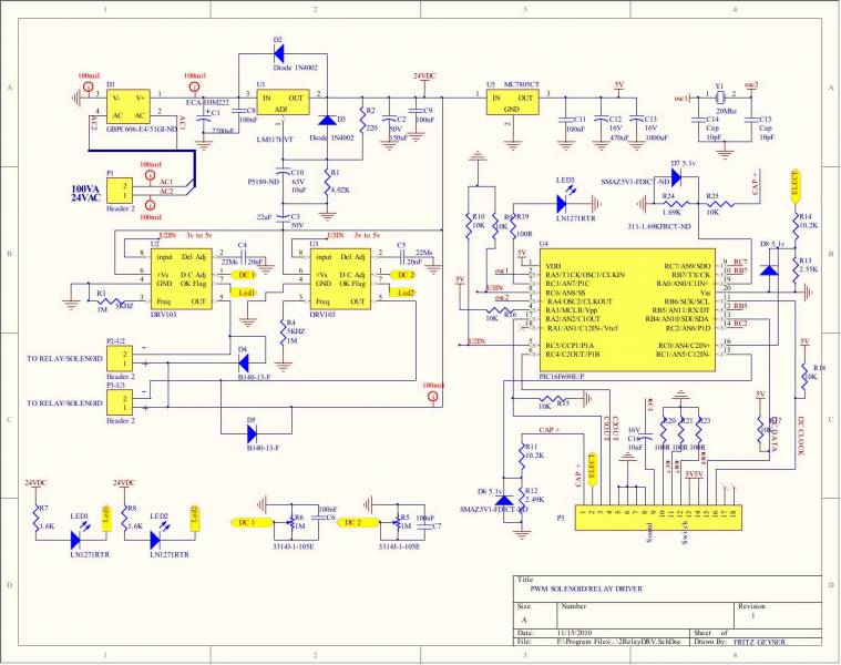
没有问题呀。我才试的,是可以打开的。大概是国家的防火墙屏蔽了吧。这是控制部分电路图。其他我慢慢复制上传吧。
relaydrv.jpg
回复

使用道具 举报

发表于 2011-5-29 13:38 | 显示全部楼层
回复

使用道具 举报

 楼主| 发表于 2011-5-29 13:58 | 显示全部楼层
冯老师看这个
fujiachun 发表于 2011-5-29 13:38 https://www.yleee.com.cn/images/common/back.gif


谢谢 傅老师!
不是普通的锂电池,是“450动力电池”。
从另外一个侧面,验证了本题的可能性——电流,亦不一定要“上千”。   
回复

使用道具 举报

发表于 2011-5-29 14:35 | 显示全部楼层
不知道用高频交流做点焊如何,如可,可大大缩小体积。
回复

使用道具 举报

发表于 2011-5-29 14:55 | 显示全部楼层
进来看看进度,上面那个网址看不了,估计要翻墙了……

开窗,我想就是在板子上开一条槽

类似电源主板上的开槽吧?
回复

使用道具 举报

发表于 2011-5-29 15:52 | 显示全部楼层
冯老师看看这个能不能打开。
http://ledhacks.com/power/battery_tab_welder.htm
回复

使用道具 举报

发表于 2011-5-29 16:04 | 显示全部楼层
1、“自己在开窗部分上焊锡”——何谓“开窗部分”?
      我还没有弄懂......请指教。

2、“ ...
无锡风 发表于 2011-5-29 12:39 https://www.yleee.com.cn/images/common/back.gif



我是指阻焊层开窗,利于上锡,呵呵。这也是有做PCB的朋友这么说,我觉得比较形象,也就这么说了。

另外,正面如果也搪锡的话,会鼓起来,那么电容悬空一点焊接?倒是也可以,就是这样成本就会增高了。
回复

使用道具 举报

本版积分规则

QQ|一淘宝店|手机版|商店|一乐电子 ( 粤ICP备09076165号 ) 公安备案粤公网安备 44522102000183号

GMT+8, 2026-5-25 05:10 , Processed in 0.035790 second(s), 28 queries , Gzip On.

Powered by Discuz! X3.5

© 2001-2025 Discuz! Team.

快速回复 返回顶部 返回列表