一乐电子

 找回密码
 请使用微信账号登录和注册会员

QQ登录

只需一步,快速开始

微信扫码登录

手机号码,快捷登录

手机号码,快捷登录

搜索
楼主: 无锡风

c.pc版 PIC数控电源·组装测试资料——不断增加修改之中

[复制链接]
发表于 2008-11-15 00:22 | 显示全部楼层
佩服一下冯老师!
回复

使用道具 举报

发表于 2008-11-15 11:01 | 显示全部楼层
老大辛苦了
回复

使用道具 举报

发表于 2008-11-15 16:31 | 显示全部楼层
积极的等候
回复

使用道具 举报

 楼主| 发表于 2008-11-15 17:25 | 显示全部楼层

使大家失望了——今天无法连续工作,基本上没有进展!

本来今天的工作目标,至少是要完成两个“最基本”的电源电路单元的调试——34063和317。
    可是,邻居的电脑系统又有问题,需要帮助处理......只能带了自己的本本,得闲时上一下网了......
    不知道,明天怎么样?

    先“转移”过来一些资料过来罢——方便于大家查看:
1、c.pc 在【长汀】的原帖链接:
      
http://ctwxdc.512j.com/viewthread.php?tid=28665&page=1

2、ouravr的原帖链接:
      
http://www.ourdev.cn/bbs/bbs_content.jsp?bbs_sn=943235&bbs_page_no=1&bbs_id=1028

3、c.pc 增加的34063输出±9V电源电路(可能的?)参考电路图
34063获得正负输出电源电压的电路.PNG
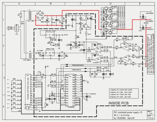
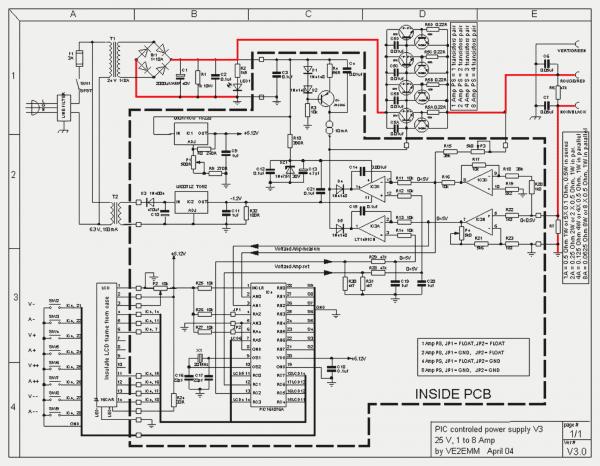
4、“原版”电路图:
PIC16F876A数控电源·电路图.gif

      “有时间”了,我再画一张“正确的电路图?
回复

使用道具 举报

 楼主| 发表于 2008-11-15 17:50 | 显示全部楼层

今天,唯一做到的“准备工作”——34063变压器的“封装”工作

      c.pc 提供的34063的“磁芯变压器”,是“半成品”——两个线包、四根引出线,只是被临时“双双”绕在磁芯的“两根”硬引腿上面,很容易被混淆同名端。

我“预处理”了一下——您完全可以跳过这一步,不看
    1、先使用热熔胶初步固定线包;
    2、再把“双双”绕在磁芯的“两根”硬引腿上面的漆包线,扯开来——再“双双”分列在磁芯的两边;
    3、测量、区分出两个线包的4根端子;并且检查“线包之间”、没有短路;(未检查有没有存在匝间短路);
    4、随便取出一组线包的两根引线,分别去漆皮、上锡之后,焊接到磁芯“原来”的两根硬引腿上面;
    5、再使用热熔胶,进一步固定线包和引出线——注意要把两个线包的“头”和“尾”,方便固定在磁芯的“两边”;
    6、重复检查“第3步”,使未焊接到磁芯两根硬引腿上的,另外一个线包的引出线“基本定位”——两个线包的同名端,就可以“确定”下来了。

    这样做,可能是“复杂”了一点点;可是以后会变得“直观和牢靠”一点点。
变压器区分线包同名端 DSC02947.jpg
变压器区分线包同名端 DSC02949.jpg
变压器区分引线同名端 底部 DSC02948.jpg
回复

使用道具 举报

发表于 2008-11-15 18:12 | 显示全部楼层
我把腿剪了.直接热熔胶固定的.
回复

使用道具 举报

 楼主| 发表于 2008-11-15 18:53 | 显示全部楼层

补充:317输出“5.12V”电源电压的问题

关于 317调整输出“5.12V”电源电压的问题,应该是一个“不成问题的问题”。
    1、这个电源电压,是供应PIC单片机Vdd的,(手头没有下载 PIC16F876A芯片的资料 )应该就是芯片的电源电压罢?
    2、不知道(不好意思)为什么要精确到“5.12V”——317的稳压精度,能够保证小数点第二位的精度和稳定性吗?

          如果要求高精度、高稳定度,是否该电路需要更高指标的基准电压源?

        附:“c.pc,,,,,,供电的LM317输出的电压不是5V,是5.12V,这个电压要稳,因为对电路输出的电压、电流有影响。当你制作时改变这个电压就知道了,其他的留给大家慢慢了解吧。 2008-11-11 03:27 PM ”

         已经查到上面这句话的出处了,是 ourdev的原楼主 tanjianchao 说的"原话",留此备案


    调试心得体会:
    1、使用“LM317&TL431配套电阻值预测软件”计算,在220/680标称值分压电阻值,317输出的电压理论值是“5.11V”;实际电路板焊接的电阻,在电位器P1最小值状态下,是“5.14V”;

317输出5.12V电源电压的计算.PNG

    2、由此可见,比较合适的R9=“680”电阻的标称值,应该取“620”。而电位器P1的标称值,宜为“100”——我手头一时没有100Ω的3296电位器,是安装的500Ω的电位器;明天我再找找“合适”的配套电阻。
    3、说实在的,一般的朋友(包括在下我),平常使用的大多是3-1/2数字电压表;如何保证“5.12V”的测量精度,还是一个实际的问题。
        估计——只是我个人估计——“5.12V”只是需要相对稳定的一个“值”就可以了。

    4、回过头看到 c.pc 附的打印图,才发现(汗!),这个调整电位器P1已经取消——我觉得 c.pc的这个修改很好!如上所述,没有必要一定要调整到“5.12V”;譬如我上面的 “5.14V”,应该“可以”——同样留此备案。

        这个“问题”,我准备放在测试的最后阶段、“电源稳定性”的测试阶段,好好测试测试......

        附1:LM317&TL431配套电阻值计算(绿色软件)
        附2:34063自动设计软件

LM317&TL431配套电阻值计算(绿色软件).rar

22.25 KB, 下载次数: 518, 下载积分: 一乐金币 -1

34063自动设计软件.rar

57.41 KB, 下载次数: 405, 下载积分: 一乐金币 -1

回复

使用道具 举报

发表于 2008-11-15 19:52 | 显示全部楼层

游戏——有奖寻找安装错误!

楼顶的半成品板(照片)上面,存在有一个严重的安装错误。

          哪位朋友可以找出来?


       前三名正确无误找出来的朋友,将免费获得正规加工的 “usbasp下载线”双面PCB(光板)一块,或者以16元的【一乐】价、优惠购买 相应的 usbasp成品板一块(两者只能选择其一)——邮资由获奖者自负


usbasp 成品图片.jpg

          usbasp 烧写状态.jpg

      为了公平,参与者可以先在这里续帖“排队”之后,把您的“答案”(要确切哦!)使用论坛短消息、同时发给“yleee”和“wxf”收。

      下周之内公布答案,游戏结束。
回复

使用道具 举报

发表于 2008-11-15 20:27 | 显示全部楼层
还有一点忘了提醒:

R27,R26边上两个是电流选择跳线.

焊跳线的话,位置不对.要另外钻孔.

该位置跳线如果留空,那么电流是1A的.
两个跳线都接上.电流才是8A

[ 本帖最后由 yanjian 于 2008-11-15 20:54 编辑 ]
回复

使用道具 举报

发表于 2008-11-15 21:37 | 显示全部楼层
找到了,但不知道对不对!
回复

使用道具 举报

本版积分规则

QQ|一淘宝店|手机版|商店|一乐电子 ( 粤ICP备09076165号 ) 公安备案粤公网安备 44522102000183号

GMT+8, 2025-11-24 00:17 , Processed in 0.036655 second(s), 28 queries , Gzip On.

Powered by Discuz! X3.5

© 2001-2025 Discuz! Team.

快速回复 返回顶部 返回列表