一乐电子

 找回密码
 请使用微信账号登录和注册会员

QQ登录

只需一步,快速开始

微信扫码登录

手机号码,快捷登录

手机号码,快捷登录

搜索
楼主: 社建电子

★发现论坛有懂医的★请教我手指头坏了怎么修?奇痒难忍

 火... [复制链接]
发表于 2012-9-5 10:54 | 显示全部楼层
回复 62# ultrafree


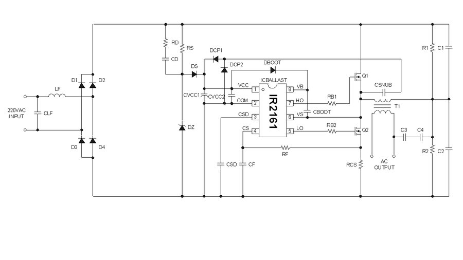
    不同的电压请更改T1的线圈,这个功率是75W的。
IR2161 Circuit Diagram (135%).bmp
IR2161 Bill Of Materials (34 items).rar (509 Bytes, 下载次数: 224)
回复

使用道具 举报

发表于 2012-9-5 12:38 | 显示全部楼层
吓人啊,我妈有治这玩意的偏方,超好用,晚上回家我抄下来给你
回复

使用道具 举报

发表于 2012-9-5 13:17 | 显示全部楼层
带一打火机,痒的时候火烧之
回复

使用道具 举报

发表于 2012-9-5 13:36 | 显示全部楼层
带一打火机,痒的时候火烧之
国望堂 发表于 2012-9-5 13:17 https://www.yleee.com.cn/images/common/back.gif



   偏方越来越怪了,社建兄成小白鼠了
回复

使用道具 举报

发表于 2012-9-5 13:43 | 显示全部楼层
大蒜头整一个,要皮是紫色的,香烟十根,买一瓶老陈醋,把香烟大蒜泡进去,48小时候后浸泡患处,每次浸泡30min。5次见效
回复

使用道具 举报

发表于 2012-9-5 17:23 | 显示全部楼层
这指头 长得有意思
回复

使用道具 举报

发表于 2012-9-5 17:38 | 显示全部楼层
可怜的娃。
回复

使用道具 举报

发表于 2012-9-5 18:26 | 显示全部楼层
皮肤病用酮康挫咪康挫之类的挫类药只能临时管用,这类药全是激素类,治标不治本。偏方不用考虑,具有个别性,不可能全管用。最好是先去医院看看,确认是真菌感染,可以用稀土菌克试试,不是真菌引起的就别乱用药。有些皮肤病源头可能是血液里,神经上,都有可能。药店里或者淘宝都有稀土菌克,买大包装的。这个药我感觉治疗真菌感染有效果。另外楼主大拇指健康圈太小了,不知道别的手指怎样?该加强锻炼了。
回复

使用道具 举报

发表于 2012-9-5 19:06 | 显示全部楼层
我也觉得像,跟脚气差不多,天气湿热的时候厉害,干冷的时候可能就看不出来了。用皮康王可以治,不 ...
ultrafree 发表于 2012-7-28 09:55 https://www.yleee.com.cn/images/common/back.gif

皮康王最好不要用 含激素 ,
回复

使用道具 举报

发表于 2012-9-5 19:54 | 显示全部楼层
劝楼主还是从生活习惯,饮食习惯,还有生活用品上面好好留意下。
减少过度用拇指,饮食清淡,减少用拇指触碰容易引起难受的东西,坚持一段时间看看。
很有可能这个情况并不是因为你身体的问题。
回复

使用道具 举报

本版积分规则

QQ|一淘宝店|手机版|商店|一乐电子 ( 粤ICP备09076165号 ) 公安备案粤公网安备 44522102000183号

GMT+8, 2025-11-24 04:21 , Processed in 0.035620 second(s), 29 queries , Gzip On.

Powered by Discuz! X3.5

© 2001-2025 Discuz! Team.

快速回复 返回顶部 返回列表