一乐电子

 找回密码
 请使用微信账号登录和注册会员

QQ登录

只需一步,快速开始

微信扫码登录

手机号码,快捷登录

手机号码,快捷登录

搜索
查看: 39000|回复: 139

AVR_Transistortester新版PCB

  [复制链接]
发表于 2013-10-14 15:44 | 显示全部楼层 |阅读模式
本帖最后由 SengChuary 于 2013-10-14 16:19 编辑

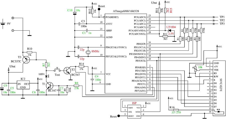
根据官方新版原理图制作,支持ATmega8/48/168/328 MCU,首版PCB为绿色,尺寸为50mmX42mm,一共出了10块回来,还有7块,下一版将继续优化更新pcb
官网:http://www.mikrocontroller.net/svnbrowser/transistortester/
百度盘:http://pan.baidu.com/s/1BqMid

TransistorTester_TopLayer.JPG

1.jpg

2.jpg

官方原理图:
TransistorTester_strip.pdf (20.09 KB, 下载次数: 1469)

TransistorTester_strip.jpg

测试启动过程:
5.jpg

3.jpg

4.jpg

6.jpg

7.jpg

LCD1602屏是使用一乐的大屏,有需要的PCB尽快,下一版将继续优化电路,下次会持续更新,如果要的人多的话,下次多打点板回来,PCB优惠坛友5元一块数量有限,链接:http://item.taobao.com/item.htm?id=23029756889
发表于 2013-10-14 16:07 | 显示全部楼层
等新版电路
回复

使用道具 举报

发表于 2013-10-14 16:54 | 显示全部楼层
兄弟,新版什么时候出啊,想要两片,有多的ATmega328PA芯片么,能顺带的话更好
回复

使用道具 举报

发表于 2013-10-14 17:19 | 显示全部楼层
有多的ATmega328PA芯片么
回复

使用道具 举报

 楼主| 发表于 2013-10-14 17:49 | 显示全部楼层
n109 发表于 2013-10-14 16:54
兄弟,新版什么时候出啊,想要两片,有多的ATmega328PA芯片么,能顺带的话更好

这个版本使用等没什么问题,下一步就把电路优化到极致。328芯片目前没有,有两片已经上到板子上测试使用了。
回复

使用道具 举报

发表于 2013-10-14 18:23 | 显示全部楼层
没有贴片版的片子,帮顶了。
回复

使用道具 举报

发表于 2013-10-14 20:50 | 显示全部楼层
建议弄点直插电阻的,贴片的精度温漂都不好自己挑选匹配!对于精度的控制很不利~
回复

使用道具 举报

 楼主| 发表于 2013-10-15 08:00 | 显示全部楼层
jetblack 发表于 2013-10-14 20:50
建议弄点直插电阻的,贴片的精度温漂都不好自己挑选匹配!对于精度的控制很不利~

我挑选的全部是1%的精度,然后再用安捷伦的34401万用表量测所需精度值。
回复

使用道具 举报

 楼主| 发表于 2013-10-15 08:03 | 显示全部楼层
我发现,就算ADC处出来的电阻值精确没温漂的话,测东西也有一点偏差,不会偏差很大,可能跟连接线等有关估计大家都能接受,有好的夹子的话做清零应该会好很多。
回复

使用道具 举报

 楼主| 发表于 2013-10-15 09:19 | 显示全部楼层
今次更新PCB,优化线路,修正一处多出来的线路,大家都来参谋参谋这个布局还需要更改更适合DIY请大家提出一些宝贵意见,落实后再进行修正,目前贴片全部采用0603封装,其它几个个别滤波电容要大一点封装除外。参考图如下:
TransistorTester_B.jpg

TransistorTester_C.jpg

回复

使用道具 举报

本版积分规则

QQ|一淘宝店|手机版|商店|一乐电子 ( 粤ICP备09076165号 ) 公安备案粤公网安备 44522102000183号

GMT+8, 2026-4-22 05:37 , Processed in 0.035630 second(s), 30 queries , Gzip On.

Powered by Discuz! X3.5

© 2001-2025 Discuz! Team.

快速回复 返回顶部 返回列表