一乐电子

 找回密码
 请使用微信账号登录和注册会员

QQ登录

只需一步,快速开始

微信扫码登录

手机号码,快捷登录

手机号码,快捷登录

搜索
楼主: gandalf

[其他综合] 恒压恒流可调电源电路

[复制链接]
发表于 2015-5-12 13:25 | 显示全部楼层
电源开关 发表于 2015-5-12 13:17
不会说的是我这款板子吧,这款板子不是直接拉7脚电压啊

不是,是在淘宝买的,很纠结的设计,正在整理反抄的电路图。
回复

使用道具 举报

发表于 2015-5-12 13:27 | 显示全部楼层
snoopy8008 发表于 2015-5-12 13:25
不是,是在淘宝买的,很纠结的设计,正在整理反抄的电路图。

吓我一跳,好像淘宝就我有出售类似线路板子,你好好看看一般设计不会去直接拉7脚电压,至少要经过一个电阻
回复

使用道具 举报

发表于 2015-5-12 13:56 | 显示全部楼层
电源开关 发表于 2015-5-12 13:17
不会说的是我这款板子吧,这款板子不是直接拉7脚电压啊

板子做的不错,不知道为什么做这种板子的很多,但是做正负电源的很少?
回复

使用道具 举报

发表于 2015-5-12 13:59 | 显示全部楼层
snoopy8008 发表于 2015-5-12 11:35
原来是这样,谢谢!

我买的这块板子我觉得这里有点问题,恒流的时候是拉低7脚的电压,而卖家的介绍里 ...

我喜欢高端采样的,这样做正负电源比较方便。
回复

使用道具 举报

发表于 2015-5-12 14:20 | 显示全部楼层
hotdll 发表于 2015-5-12 13:01
上个原理图看看,按理说不会出现这种情况的。

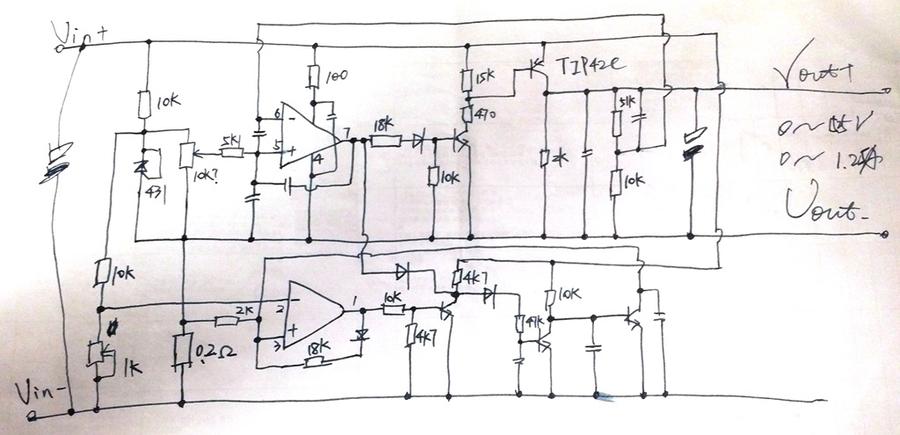
aaa.jpg

图可能有抄错的地方,一个恒流弄这么复杂,已经没了反抄的耐心了。
回复

使用道具 举报

发表于 2015-5-12 14:22 | 显示全部楼层
电源开关 发表于 2015-5-12 13:17
不会说的是我这款板子吧,这款板子不是直接拉7脚电压啊

淘宝上好难找啊,怎么搜都搜不到,废了九牛二虎之力才找到那一个。
淘宝现在做的非常恶心,不交保护费就让你的商品搜不到。
现在基本上京东有的就绝不上淘宝买。
回复

使用道具 举报

发表于 2015-5-12 14:24 | 显示全部楼层
hotdll 发表于 2015-5-12 13:59
我喜欢高端采样的,这样做正负电源比较方便。

两组互相隔离的,做正负电源,跟电流在哪里取样没什么关系吧?
回复

使用道具 举报

发表于 2015-5-12 14:25 | 显示全部楼层
snoopy8008 发表于 2015-5-12 14:24
两组互相隔离的,做正负电源,跟电流在哪里取样没什么关系吧?

要共地的,如果是低端采样,你工地的时候,就会发现不好处理。
回复

使用道具 举报

发表于 2015-5-12 14:30 | 显示全部楼层
snoopy8008 发表于 2015-5-12 14:20
图可能有抄错的地方,一个恒流弄这么复杂,已经没了反抄的耐心了。

你这电路制定是抄错了
回复

使用道具 举报

发表于 2015-5-12 14:38 | 显示全部楼层
电源开关 发表于 2015-5-12 14:30
你这电路制定是抄错了

bbb.jpg

Vin-和Vout-有可能抄错,运放第7脚这里抄错的可能性不太大,毕竟还可以配合万用表测量的。
回复

使用道具 举报

本版积分规则

QQ|一淘宝店|手机版|商店|一乐电子 ( 粤ICP备09076165号 ) 公安备案粤公网安备 44522102000183号

GMT+8, 2026-2-27 07:39 , Processed in 0.038716 second(s), 28 queries , Gzip On.

Powered by Discuz! X3.5

© 2001-2025 Discuz! Team.

快速回复 返回顶部 返回列表