一乐电子

 找回密码
 请使用微信账号登录和注册会员

QQ登录

只需一步,快速开始

微信扫码登录

手机号码,快捷登录

手机号码,快捷登录

搜索
楼主: kangdage

图解十步开关电源模块改可调

 火... [复制链接]
 楼主| 发表于 2014-12-18 21:17 | 显示全部楼层
ytmetg 发表于 2014-12-18 17:36
问一下短路电流是一直短路还是短一下就试出来的?

肯定是要一直短路的,短路一下,表头是显示不出来的。短路一下的方法在指针表头上有反应,数字表头是没有反应的。

数字表头大概每秒也就两三次更新,运气好了会有一到两个字的闪烁。
你把电压电流设到最小,短接输出,这时因为没有电压所以不会有电流输出。
然后慢慢调高电压,这时一般会有几十个毫安的电流输出,这是494运放失调导致的。
因为导线也有电阻,所以不会有太大的电流输出,放心慢慢调就行。
大约转电压电位器一圈多,这时再调高电流,就会看到电流指示增大了。
当然因为导线电阻,电压也会上升。
你再慢慢试吧!
改完了以后因为电压电流都可以限制,是可以随便短路玩的,放心大胆的去试吧。
这个电源就算是坏一般也只坏高压三极管,13009很便宜的,不到一块一片。
最多再搭上四个4007,维修成本很低,所以我很喜欢这个电源。

不拆启动电阻可以不加辅助电源。
最低电压大概能调到5v,这时的占空比大约5%左右,轻载时电压会高一些。
24v电源变压器输出48v左右,除去线路损耗和死区,输出40v是没有问题的。

评分

参与人数 1一乐金币 +5 收起 理由
ytmetg + 5

查看全部评分

回复

使用道具 举报

发表于 2014-12-19 10:23 | 显示全部楼层
本帖最后由 ytmetg 于 2014-12-19 12:53 编辑
kangdage 发表于 2014-12-18 21:17
肯定是要一直短路的,短路一下,表头是显示不出来的。短路一下的方法在指针表头上有反应,数字表头是没有 ...

谢谢了,就是这一步我没敢一直短路所以可能电流没显示;明白了。

但是一直短路有自激声,真的没问题?

输出40V用50V的电容一个耐压够用了吗?

另外我有一个12V的电源,如果只换24V的变压器,再换耐压电容其它电路不改变的情况下,是不是也可以改成0-40V可调?


刚试了一下,1V短路有1.46A的电流,调电位器没用;调电压到1.5V电流升到2.6A左右;3V时电流到5A了;到5V时电流到8A了(没敢再调高了,短路线软了);无论到那个电压调电流电位器都不起作用,这样的话我是那个地方没改?电流电阻是100K 我应该按那个电流算呢?
回复

使用道具 举报

 楼主| 发表于 2014-12-19 23:01 | 显示全部楼层
ytmetg 发表于 2014-12-19 10:23
谢谢了,就是这一步我没敢一直短路所以可能电流没显示;明白了。

但是一直短路有自激声,真的没问题? ...

猜你可能是操作的问题,解决了就好。

短路有轻微自激声正常,因为电压输出太低,电流环路没有起作用,等弄完了应该就好了。

电解电容一般耐压预留20-25%的余量,50v电容40v工作没有问题,但用63v的更保险。

半桥自激输出电压取决于变压器变比,换24v的变压器可以变成24v的模块,最高输出可以到40-45v。
除了电容耐压还需要注意肖特基耐压,24v变压器输出峰峰值接近100v。
关键是你去哪里找24v的变压器,肯定要是半桥结构的电源。
那么前提是你能找到这样的电源,才能有这样的变压器。
你都有电源了,为什么还要拆变压器呢?

刚试了一下,1V短路有1.46A的电流,调电位器没用;调电压到1.5V电流升到2.6A左右;3V时电流到5A了;到5V时电流到8A了(没敢再调高了,短路线软了);无论到那个电压调电流电位器都不起作用,这样的话我是那个地方没改?电流电阻是100K 我应该按那个电流算呢?


不知道你电流电位器有没有转到底。
如果是这样说明你的电流反馈环路有问题。
很明显电流不受控,相当于接了一个电阻调压。
1v/1.46a=0.684
1.5v/2.6a=0.576
3v/5a=0.6
5v/8a=0.625
除去数据误差,导线电阻约0.6欧。
你先拆掉电流电位器的动臂接线,应该电源就不会有这么大输出了。
如果再有这么大输出就说明你电流调节引出线的位置不对。
如果没有输出了,说明线路接的没有问题,只是参数选择问题。
可以先用我上次给你的那个图上的参数试一下。
既然你问道计算问题,那么就详细的说一下,估计有不少人没弄明白。
无标题.png

随手画个简图,大概说明下电路连接方法和代号。
主回路很简单,肖特基全波整流,阻容滤波然后输出。
控制环路由494内部运放控制。
运放输出闭环稳定时,同反相位相等,即所谓的虚短。
假设我们需要的最大输出设定电流是10a。
现在电路中康铜丝电阻0.01欧,反馈电阻100欧,设定电阻10k,设定电位器4k7,参考电压5v。


那么最大电流输出时采样电阻两端的压差就是0.1v。
如果以主输出负极为0,那么采样电阻左侧电位就是-0.1v。
反馈电阻上端跟采样电阻左侧相连,电位也是-0.1。
那么要想运放同反相同电位,则反馈电阻下端电位必须是0v。
则反馈电阻两端压差是0.1v,即跟采样电阻两端压差相同。
那么流过反馈电阻的电流就是0.1v/100r=0.001a。
因为运放输入端虚断,这0.001a的电流必定是由设定电阻提供。
那么设定电阻两端的电压就是0.001a*10k=10v。
也就是说我们需要设定电位器输出10v时,短路限制电流才会是10a。
但我们设定电位器最大输出电压是参考电压5v,所以我们需要调整。
假设我们调整设定电阻使他在5v时就可以流过0.001a的电流,
则电阻为5v/0.001a=5k。
这时就可以满足我们最大输出10v的要求。
反过来就可以由设定电压推出我们的最终电流值。
但这里有个问题,设定电阻较接近设定电位器阻值,这会使我们调节电位器时的线性变差。
例如我们将电位器放置在中点,即动臂两端都是2k35。
如果没有设定电阻分流,输出电压将是50%,即2.5v,对应的设定也在50%上。
但设定电阻必然会导致分流,则动臂上电阻为2k35,动臂下为2k35并5k阻值约为1k6。
那么分压为2v,对应设定是40%,线性误差10%。
也就是说我们转一半只能输出4a,而后半段则会增加6a电流。
增大设定电阻,将减少分流,假设我们增大到100k。
同样设定50%时,动臂上电阻仍为2k35,动臂下为2k35并联100k阻值约为2k3。
那么分压将是2.47v,对应设定49.4%,线性误差只有0.6%。
这样调整后,我们就可以方便的设定输出电流了。
这里用的电位器是10圈,那么一圈就是1a,1/4圈就是0.25a,很方便。
我们将设定电阻放大了20倍,如果同时也将反馈电阻放大20倍,即可维持原有的设定范围。

估计你是反馈电阻取得太大了,实际设定电流太大,所以调流不起作用。

评分

参与人数 2一乐金币 +25 收起 理由
freesl + 20 很给力!
ytmetg + 5

查看全部评分

回复

使用道具 举报

发表于 2014-12-20 11:59 | 显示全部楼层
kangdage 发表于 2014-12-19 23:01
猜你可能是操作的问题,解决了就好。

短路有轻微自激声正常,因为电压输出太低,电流环路没有起作用, ...

那回头我把这两电阻改小了试试吧?还有个问题是我不知道康铜丝的阻值,反正三根串联了。这样的话还可以按你的这个计算方法计算吗?

我说的24V变压器是有的电源不是494芯片的,一直想改个大一点的好给电动车充电。
回复

使用道具 举报

 楼主| 发表于 2014-12-20 22:23 | 显示全部楼层
本帖最后由 kangdage 于 2014-12-27 11:43 编辑
ytmetg 发表于 2014-12-20 11:59
那回头我把这两电阻改小了试试吧?还有个问题是我不知道康铜丝的阻值,反正三根串联了。这样的话还可以按 ...

看来还是没看懂。计算公式总结为:


输出电流*采样电阻      设定电压(参考电压)
————————— = ——————————
     反馈电阻                     设定电阻

随便改那个值都可以实现电流幅值调整。

康铜丝的阻值不知道可以根据短路电流反算。
或是根据输出电流比例增减。
单根康铜丝电阻在0.001-0.01之间。

非494芯片电源,你是指的3842芯片的吧!
那是反激变压器,变比计算公式不同,变压器参数不同,不能互用。
给电瓶车充电,如果是铅酸的话是不能随意提高充电电流的。
提高充电电流并不能减少充电时间,还会引起发热或是损坏。
不充满或是应急还是可以的。

评分

参与人数 1一乐金币 +5 收起 理由
ytmetg + 5

查看全部评分

回复

使用道具 举报

发表于 2014-12-23 18:03 | 显示全部楼层
赞一个,这个要支持
回复

使用道具 举报

发表于 2014-12-23 19:37 | 显示全部楼层
楼主你好:我有一个24V开关电源原理图我已画出来了,和楼主发的第二幅原理图一样,只是原件编号不一致。没改之前通电正常输出24V可以工作,按楼主的方法改好后一通电R7炸了,两个功率管拆下来测坏了,不知何因?麻烦楼主给指点指点。  过后发现R29让我拆下一端测阻值时忘记再焊上了,和这个有关系吗?我是外接的12V辅助电源。
  期待楼主指点,现在不敢进行了怕再炸了三极管。
回复

使用道具 举报

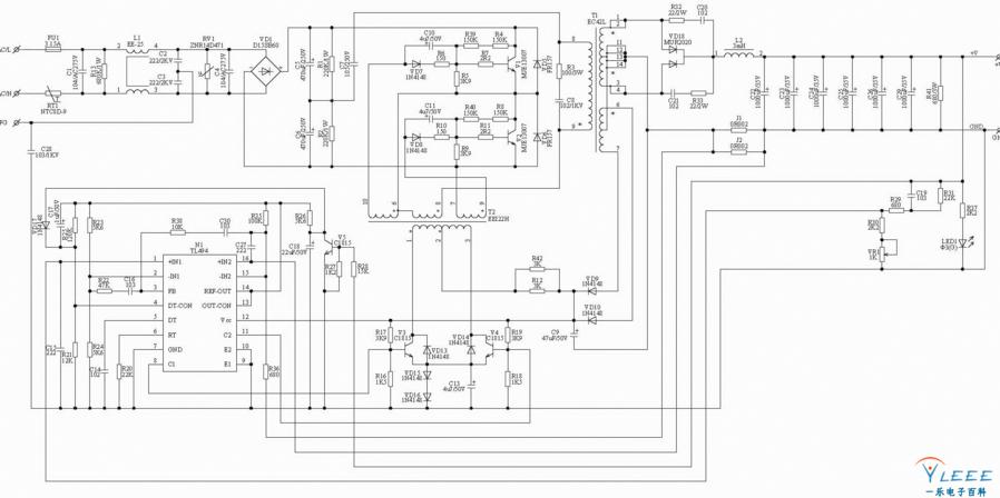
 楼主| 发表于 2014-12-23 22:04 | 显示全部楼层
苏北明珠 发表于 2014-12-23 19:37
楼主你好:我有一个24V开关电源原理图我已画出来了,和楼主发的第二幅原理图一样,只是原件编号不一致。没 ...

你都说元件编号不一致,那你所说的r7是哪一个呢?
如果是我那张图上的,那么应当是你拆除的原件不对。
r7是在功率管损坏后损坏的。
不知道你改到什么程度了,请详细说明。
r29又是哪一个??
如果是电压反馈上的,那会导致输出超压。
如果输出超压,切有没有过压保护,那么电容可能会击穿损坏。
你检查输出电容有没有短路,如果是那么就是r29的原因。
替换三极管和r7即可恢复正常。
恢复后可再给494供电的前提下,给交流输入端送入低压电,判断是否正常。
2358231228718760.gif

如有疑问请参照这个图来说明,或是配图说明。
烦请大家发问时注意表述清楚些,否则不好作答。
回复

使用道具 举报

发表于 2014-12-24 10:37 | 显示全部楼层
本帖最后由 苏北明珠 于 2014-12-24 15:18 编辑

非常感谢楼主的指教!!去年我曾用工业开关电源改过几次都没有成功,这次看到楼主的文章又有了信心,又找出几个24V开关电源准备再试试,原理图我已画出和楼主第二幅原理图一致。
   我说的原件编号是按照楼主的图上编号说的。R7是在改后坏的,因为改之前我通电试过了电源没问题。我拆的是楼主图上的R4/R8/R39/R40,只不过我的电源只有一个330K的电阻,应该没拆错。
   R29是楼主图上的编号就是那个小可调单位器上边的电阻,就是电压反馈电路上的。
   我把输出端电容拆下来测了没短路。又把功率三极管周围的所有原件拆下一端测了一边发现R7、R11、断路,R6原来是5.1欧姆现在变成了7K欧姆了。C10电解电容短路了。
我已改到第五步了。期待楼主的指教。 下午又把V3、V4周围原件检查一遍发现V3坏了。
回复

使用道具 举报

 楼主| 发表于 2014-12-24 21:36 | 显示全部楼层
苏北明珠 发表于 2014-12-24 10:37
非常感谢楼主的指教!!去年我曾用工业开关电源改过几次都没有成功,这次看到楼主的文章又有了信心,又找出 ...

你可以先把元件恢复,试一下看看有没有问题。
先改成电压电流可调,并加上开关机保护继电器。
启动电阻不拆影响不会很大,可以放到最后做。
220电源线上串个灯泡就不会炸管了。
回复

使用道具 举报

本版积分规则

QQ|一淘宝店|手机版|商店|一乐电子 ( 粤ICP备09076165号 ) 公安备案粤公网安备 44522102000183号

GMT+8, 2026-2-23 23:38 , Processed in 0.054664 second(s), 30 queries , Gzip On.

Powered by Discuz! X3.5

© 2001-2025 Discuz! Team.

快速回复 返回顶部 返回列表