一乐电子

 找回密码
 请使用微信账号登录和注册会员

QQ登录

只需一步,快速开始

微信扫码登录

手机号码,快捷登录

手机号码,快捷登录

搜索
楼主: kangdage

图解十步开关电源模块改可调

 火... [复制链接]
 楼主| 发表于 2014-12-23 22:04 | 显示全部楼层
苏北明珠 发表于 2014-12-23 19:37
楼主你好:我有一个24V开关电源原理图我已画出来了,和楼主发的第二幅原理图一样,只是原件编号不一致。没 ...

你都说元件编号不一致,那你所说的r7是哪一个呢?
如果是我那张图上的,那么应当是你拆除的原件不对。
r7是在功率管损坏后损坏的。
不知道你改到什么程度了,请详细说明。
r29又是哪一个??
如果是电压反馈上的,那会导致输出超压。
如果输出超压,切有没有过压保护,那么电容可能会击穿损坏。
你检查输出电容有没有短路,如果是那么就是r29的原因。
替换三极管和r7即可恢复正常。
恢复后可再给494供电的前提下,给交流输入端送入低压电,判断是否正常。
2358231228718760.gif

如有疑问请参照这个图来说明,或是配图说明。
烦请大家发问时注意表述清楚些,否则不好作答。
回复

使用道具 举报

发表于 2014-12-24 10:37 | 显示全部楼层
本帖最后由 苏北明珠 于 2014-12-24 15:18 编辑

非常感谢楼主的指教!!去年我曾用工业开关电源改过几次都没有成功,这次看到楼主的文章又有了信心,又找出几个24V开关电源准备再试试,原理图我已画出和楼主第二幅原理图一致。
   我说的原件编号是按照楼主的图上编号说的。R7是在改后坏的,因为改之前我通电试过了电源没问题。我拆的是楼主图上的R4/R8/R39/R40,只不过我的电源只有一个330K的电阻,应该没拆错。
   R29是楼主图上的编号就是那个小可调单位器上边的电阻,就是电压反馈电路上的。
   我把输出端电容拆下来测了没短路。又把功率三极管周围的所有原件拆下一端测了一边发现R7、R11、断路,R6原来是5.1欧姆现在变成了7K欧姆了。C10电解电容短路了。
我已改到第五步了。期待楼主的指教。 下午又把V3、V4周围原件检查一遍发现V3坏了。
回复

使用道具 举报

 楼主| 发表于 2014-12-24 21:36 | 显示全部楼层
苏北明珠 发表于 2014-12-24 10:37
非常感谢楼主的指教!!去年我曾用工业开关电源改过几次都没有成功,这次看到楼主的文章又有了信心,又找出 ...

你可以先把元件恢复,试一下看看有没有问题。
先改成电压电流可调,并加上开关机保护继电器。
启动电阻不拆影响不会很大,可以放到最后做。
220电源线上串个灯泡就不会炸管了。
回复

使用道具 举报

发表于 2014-12-25 09:29 | 显示全部楼层
freesl 发表于 2014-12-5 10:58
你说的表头不支持这一点,是不会的,表头只测电流或电压。

你还是认真核对一下电流部分改动的地方吧( ...

你好,有一个地方不明白向你请教:看你230楼原理图改电流调节时TL494的15脚还通过R36接往检流电阻J1、J2的左侧,但在227楼你画的接线方式中15脚没有了R36那条接线,到底15脚通过R36接往检流电阻那条线要不要保留?
回复

使用道具 举报

发表于 2014-12-25 11:13 | 显示全部楼层
本帖最后由 苏北明珠 于 2014-12-25 11:28 编辑
kangdage 发表于 2014-12-24 21:36
你可以先把元件恢复,试一下看看有没有问题。
先改成电压电流可调,并加上开关机保护继电器。
启动电阻 ...

把坏的原件全部更换了,并短接了V5的CE极。  用24V2A直流横压电源接在开关电源直流输出端,没问题,外接直流电源电压没变化,恒流指示灯不亮,应该输出端没短路。用指针表电阻档测显示输出端负载电阻的阻值。
  用24V2A直流横压电源接在开关电源交输入端  同时并上TL494的供电端,外接的稳压电源电压马上降到12V以下,外接电源的恒流指示灯亮起,开关电源的直流输出端无电压输出。是不是有短路的地方,但用指针表1K电阻档测交流输入端阻值在300K。

   用24V2A直流横压电源接在开关电源交输入端,不接辅助电源,外接的稳压电源电压无变化,电源的恒流指示灯不亮,开关电源直流输出端无电压输出。
测两高压电容电压相等都是12V,用指针表直流10V档测两功率管CE极电压,接通瞬间电压上到5V然后慢慢回到0V,两管的BE极电压为零。都是两表针直接跨接在CE,BE两极间测量的。用指针表1K档测TL494的7脚和12脚阻值是2K。
请问楼主这正常吗?
回复

使用道具 举报

发表于 2014-12-25 12:21 | 显示全部楼层
苏北明珠 发表于 2014-12-25 09:29
你好,有一个地方不明白向你请教:看你230楼原理图改电流调节时TL494的15脚还通过R36接往检流电阻J1、J2 ...

以230楼的图为准。

227那个图是更正224楼画的图的,无视即可。
回复

使用道具 举报

发表于 2014-12-25 12:26 | 显示全部楼层
freesl 发表于 2014-12-25 12:21
以230楼的图为准。

227那个图是更正224楼画的图的,无视即可。

谢谢!我还以为我接错了呢,是按230楼图接的线,还没成功。
回复

使用道具 举报

 楼主| 发表于 2014-12-25 20:58 | 显示全部楼层
苏北明珠 发表于 2014-12-25 11:13
把坏的原件全部更换了,并短接了V5的CE极。  用24V2A直流横压电源接在开关电源直流输出端,没问题,外接 ...

单独接494试过了没。
可能是驱动电路部分有短路。
怀疑494驱动三极管部分有问题,或是功率管驱动有问题。
变压器驱动两管不可能共通,所以494驱动三极管的可能性最大。
12v大概就是494的启动电压。
短路电流是多少2a吗?
如果是这么大电流的话,用不几秒就能看到有元件冒烟了。

外送电压没有短路一般就不会有短路了,只有可能是肖特基断路。
有可能造成输出无电压和变压器饱和。
变压器饱和也会有短路的假象。
肖特基拆下来量一下看看,接稳压电源看是否能导通。
回复

使用道具 举报

发表于 2014-12-26 11:37 | 显示全部楼层
kangdage 发表于 2014-12-25 20:58
单独接494试过了没。
可能是驱动电路部分有短路。
怀疑494驱动三极管部分有问题,或是功率管驱动有问题 ...

楼主你好:  今天一上班就给494单独供电,外接的稳压电源恒流指示灯是亮的,正如你判断市494的驱动三极管有一个坏了,还是V3坏了。换了一个同型号的三极管,又把两个三极管周围的原件测了一遍没有坏的了。然后单独给494供电外接稳压电源可以正常供电,恒流指示灯不亮。  然后把调压调流电位器调到中间位置,电源模块输出端接电压表,同时给494供16V直流电,给交流输入端接220V交流电,模块有轻微的吱吱声,输出端有11V左右电压输出,几秒钟后直流稳压电源的恒流指示灯亮了,输出端还有电压显示,马上停电。测V3又坏了BC极短路。
    还请楼主指教!谢谢!
回复

使用道具 举报

 楼主| 发表于 2014-12-27 11:40 | 显示全部楼层
本帖最后由 kangdage 于 2014-12-27 11:50 编辑
苏北明珠 发表于 2014-12-26 11:37
楼主你好:  今天一上班就给494单独供电,外接的稳压电源恒流指示灯是亮的,正如你判断市494的驱动三极管 ...

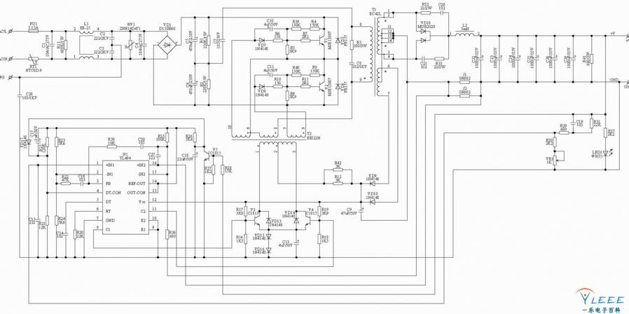
驱动三极管损坏应当是过压击穿。
因494把b极拉低所以只击穿了bc。
查一下功率三极管的驱动部分。
重点检查红圈内的二极管和电阻。
无标题.png
头几秒没有问题应当是电容充电,驱动电压还没有上升到很高。
还有可能是电容失效容量不足,这个可能性较小,因为二极管和电阻会限制电容两端的电压。
回复

使用道具 举报

本版积分规则

QQ|一淘宝店|手机版|商店|一乐电子 ( 粤ICP备09076165号 ) 公安备案粤公网安备 44522102000183号

GMT+8, 2025-12-16 13:21 , Processed in 0.042479 second(s), 29 queries , Gzip On.

Powered by Discuz! X3.5

© 2001-2025 Discuz! Team.

快速回复 返回顶部 返回列表