一乐电子

 找回密码
 请使用微信账号登录和注册会员

QQ登录

只需一步,快速开始

微信扫码登录

手机号码,快捷登录

手机号码,快捷登录

搜索
楼主: shqi2003

手工制作1.9mm的模块的16X64双色点阵屏(下)PCB制作

 火... [复制链接]
发表于 2011-2-23 23:50 | 显示全部楼层
本帖最后由 cvi670 于 2011-2-24 02:13 编辑

很是期待啊!我在一乐买的小点阵这回可以派上用场了哈
我愿出一份力
这是我用99se按照版主所给    画的原理图  希望能用的上
超级小点阵.rar (29.66 KB, 下载次数: 652)

这是截图

截图

截图
回复

使用道具 举报

发表于 2011-2-24 02:40 | 显示全部楼层
本帖最后由 cvi670 于 2011-2-24 13:23 编辑

PCB图 我也试着画画吧 我也是刚学的  不知74HC595,74HC245,74HC138是用DIP还是SOP封装的还有那个三极管是否用贴面件


这是我做的小点阵的封装 大家看看 尺寸有什么出入么 给点意见

Backup of 小点阵1.rar (2.84 KB, 下载次数: 608)

点评

此封装尺寸不对  发表于 2013-3-5 15:36
回复

使用道具 举报

 楼主| 发表于 2011-2-24 19:42 | 显示全部楼层
PCB图 我也试着画画吧 我也是刚学的  不知74HC595,74HC245,74HC138是用DIP还是SOP封装的还有那个三极管是 ...
cvi670 发表于 2011-2-24 02:40 https://www.yleee.com.cn/images/common/back.gif



    看了原理图,功底
回复

使用道具 举报

发表于 2011-2-24 21:44 | 显示全部楼层
谢谢楼主夸奖  我会继续努力的
回复

使用道具 举报

发表于 2011-2-24 23:21 | 显示全部楼层
沈老师的折腾。严重支持下。
回复

使用道具 举报

 楼主| 发表于 2011-2-24 23:41 | 显示全部楼层
PCB图 我也试着画画吧 我也是刚学的  不知74HC595,74HC245,74HC138是用DIP还是SOP封装的还有那个三极管是 ...
cvi670 发表于 2011-2-24 02:40 https://www.yleee.com.cn/images/common/back.gif



  如果可以做板的话,考虑到DIY方便  【74HC595,74HC245,74HC138考虑用DIP封装的,以及三极管】。
回复

使用道具 举报

发表于 2011-2-25 02:49 | 显示全部楼层
报告进展  准备布线  发现尺寸 比沈兄要求的 大了一点

PCB

PCB


原理图添加16*64点阵模块

原理图添加16*64点阵模块

原理图添加了红绿双色16*64点阵么模块
回复

使用道具 举报

发表于 2011-2-25 06:52 | 显示全部楼层
如果可以做板的话,考虑到DIY方便  【74HC595,74HC245,74HC138考虑用DIP封装的,以及三极管】。
shqi2003 发表于 2011-2-24 23:41 https://www.yleee.com.cn/images/common/back.gif


其实,全部使用贴片的DIY并不困难,只要布版合理。
本来,我亦想布一下的......想想老眼昏花,还是作罢。
回复

使用道具 举报

发表于 2011-2-26 02:57 | 显示全部楼层
本帖最后由 cvi670 于 2011-2-26 03:02 编辑

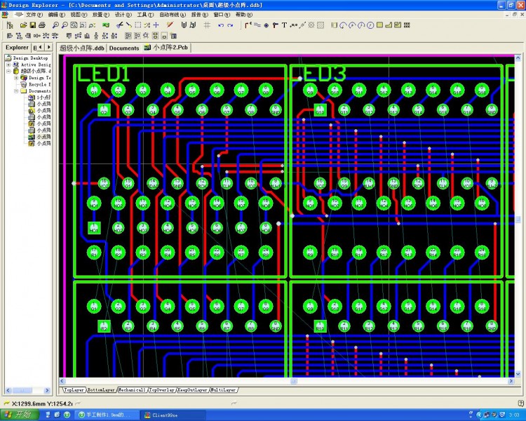
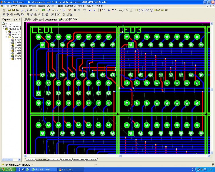
再次报告进度 小点阵显示板初步布线 在往下可就难布了  
上图

初步布线 我快疯掉了

初步布线 我快疯掉了


剩下的线感觉都是死胡同了

剩下的线感觉都是死胡同了
回复

使用道具 举报

发表于 2011-2-26 08:03 | 显示全部楼层
本帖最后由 倪大德 于 2011-2-26 08:15 编辑

    
   沈兄好!
    
   1.9mmLED在手已有时日,感谢沈兄的实验。(

   此LED布板不易。需要时间,您我都是60上下的人,眼力,精力有限,

原期待snn_snn 的PCB。却一一直不见消息!
      
   关于PCB布板的说明 :
 
   一。此LED由于引脚间距太小,需要合理的调整,布板确实有难度。

   二。LED间的拼接,非常规的按2.54,需要准确的测量才能保证无逢连接

   三。前些时间作过PCB布板尝试。自动布线通不过!只好手工布线。最近作了下

     修正。见下图。上为16*32, 下为16*64

   四。一直没下手原因,感觉有些东西众口难调。化时间化精力结果不一定会使大家满意!

     因此,我将此文件发给您和老冯。供参考!同时也欢迎有兴趣的朋友,如有可能以此作合理的调整,

     以使更合理完善!


   五。由于手工布线。难免有错,还没时间进一步查验。

未命名.JPG
回复

使用道具 举报

本版积分规则

QQ|一淘宝店|手机版|商店|一乐电子 ( 粤ICP备09076165号 ) 公安备案粤公网安备 44522102000183号

GMT+8, 2025-11-24 03:03 , Processed in 0.037176 second(s), 29 queries , Gzip On.

Powered by Discuz! X3.5

© 2001-2025 Discuz! Team.

快速回复 返回顶部 返回列表