一乐电子

 找回密码
 请使用微信账号登录和注册会员

QQ登录

只需一步,快速开始

微信扫码登录

手机号码,快捷登录

手机号码,快捷登录

搜索
楼主: shqi2003

手工制作1.9mm的模块的16X64双色点阵屏(下)PCB制作

 火... [复制链接]
 楼主| 发表于 2011-2-27 00:53 | 显示全部楼层
可以分享一下么 我的邮箱   我还没收到呢
cvi670 发表于 2011-2-27 00:24 https://www.yleee.com.cn/images/common/back.gif



    给你短消息,不知道看到没有。
回复

使用道具 举报

发表于 2011-2-27 04:00 | 显示全部楼层
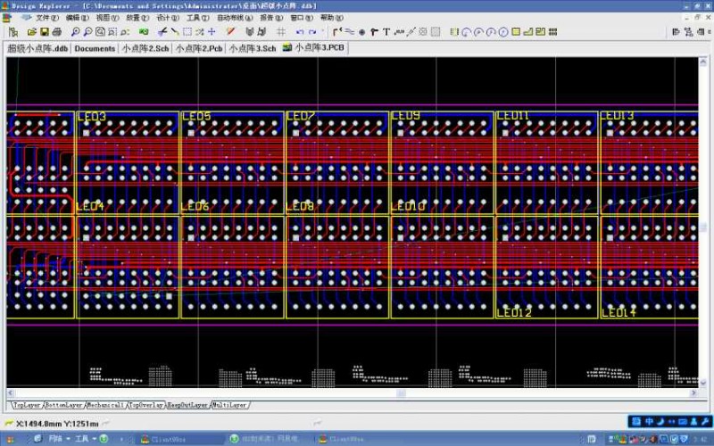
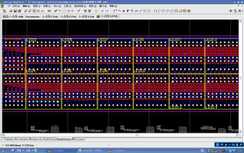
继续报告进度  今天弄到深夜四点 总算没白忙活  应该差不多了 还有一小点 工作    线是布完  不知原理图对不
上图看看吧
未标题-1_conew1.jpg

未标题-1_conew13.jpg

pcb.jpg

pcb1.jpg

pcb4_conew1.jpg

pcb2.jpg
回复

使用道具 举报

发表于 2011-2-27 04:02 | 显示全部楼层
本帖最后由 cvi670 于 2011-2-27 04:09 编辑
给你短消息,不知道看到没有。
shqi2003 发表于 2011-2-27 00:53 https://www.yleee.com.cn/images/common/back.gif


收到了 哈哈  那时正忙着布线    困死了连着几个晚上了  
回复

使用道具 举报

发表于 2011-2-27 08:42 | 显示全部楼层
继续报告进度  今天弄到深夜四点 总算没白忙活  应该差不多了 还有一小点 工作    线是布完  不 ...
cvi670 发表于 2011-2-27 04:00 https://www.yleee.com.cn/images/common/back.gif

“今天弄到深夜四点 总算没白忙活  应该差不多了” ——精神可嘉!

电路连线“看上去”挺整齐的。
提醒一点点:
是否要考虑多块“拼板”的机械空间?   
回复

使用道具 举报

发表于 2011-2-27 08:52 | 显示全部楼层
本帖最后由 无锡风 于 2011-2-27 08:53 编辑
是否要考虑多块“拼板”的机械空间?无锡风 发表于 2011-2-27 08:42 https://www.yleee.com.cn/images/common/back.gif


现在,好像是16X64点阵屏......拼板成为32X64(上下拼)的可能性、比较大。
如果为了方便,不考虑.....拼板成为16X128(左右拼)的话,
不妨在现在的PCB的“左右”,扩大一条边、打上孔——作为拼板的辅助部分?
而上下,要“去掉”一点点——才能“无缝拼板”。

当然,亦可以不考虑拼板。
回复

使用道具 举报

发表于 2011-2-27 09:03 | 显示全部楼层
现在,好像是16X64点阵屏......拼板成为32X64(上下拼)的可能性、比较大。
如果为了方便,不考虑.... ...
无锡风 发表于 2011-2-27 08:52 https://www.yleee.com.cn/images/common/back.gif


嗯 我也正在考虑 希望大家提出好的想法 让这块板更具完美  也可以考虑推出不同的版本
回复

使用道具 举报

发表于 2011-2-27 10:37 | 显示全部楼层
高手
回复

使用道具 举报

发表于 2011-2-27 11:04 | 显示全部楼层
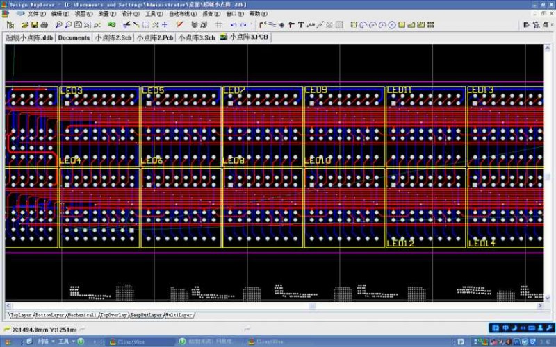
再次报告进度  显示板基本完成遗憾的是 电容104 没有挤进去
下面是截图看后希望提出宝贵意见我会及时调整

1

1


2

2


3

3


4

4


5

5


6

6
回复

使用道具 举报

发表于 2011-2-27 11:14 | 显示全部楼层
再次报告进度  显示板基本完成遗憾的是 电容104 没有挤进去
下面是截图看后希望提出宝贵意见我会及时 ...
cvi670 发表于 2011-2-27 11:04 https://www.yleee.com.cn/images/common/back.gif


电容104 没有“挤”进去?

可以使用0805贴片104电容器(相对容易买到),
然后,再把104的焊盘、“叠加”在合适的地方......
回复

使用道具 举报

发表于 2011-2-27 11:17 | 显示全部楼层
如果595和138采用TSSOP封装的,行驱动用SOP-8的4953,不知道有没有可能挤下?
有时间的话俺试试。
回复

使用道具 举报

本版积分规则

QQ|一淘宝店|手机版|商店|一乐电子 ( 粤ICP备09076165号 ) 公安备案粤公网安备 44522102000183号

GMT+8, 2026-1-11 17:26 , Processed in 0.035836 second(s), 28 queries , Gzip On.

Powered by Discuz! X3.5

© 2001-2025 Discuz! Team.

快速回复 返回顶部 返回列表