一乐电子

 找回密码
 请使用微信账号登录和注册会员

QQ登录

只需一步,快速开始

微信扫码登录

手机号码,快捷登录

手机号码,快捷登录

搜索
楼主: shqi2003

手工制作1.9mm的模块的16X64双色点阵屏(下)PCB制作

 火... [复制链接]
发表于 2011-2-26 09:22 | 显示全部楼层
其实,全部使用贴片的DIY并不困难,只要布版合理。
本来,我亦想布一下的......想想老眼昏花, ...
无锡风 发表于 2011-2-25 06:52 https://www.yleee.com.cn/images/common/back.gif

 ......因此,我将此文件发给您和老冯。供参考!同时也欢迎有兴趣的朋友,如有可能以此作合理的调整,以使更合理完善!......
倪大德 发表于 2011-2-26 08:03 https://www.yleee.com.cn/images/common/back.gif


没有收到 倪工的文件啊?
回复

使用道具 举报

发表于 2011-2-26 09:27 | 显示全部楼层
本帖最后由 倪大德 于 2011-2-26 09:31 编辑

wxfhw@126.com


PCB已转成PDF文件。
回复

使用道具 举报

发表于 2011-2-26 09:54 | 显示全部楼层
如何完善PCB,大家集思广益。

   以上仅仅只是提供一种布线思路而已!并非一定是最终结果!

    


   
回复

使用道具 举报

发表于 2011-2-26 09:59 | 显示全部楼层
如何完善PCB,大家集思广益。以上仅仅只是提供一种布线思路而已!并非一定是最终结果!  ...
倪大德 发表于 2011-2-26 09:54 https://www.yleee.com.cn/images/common/back.gif


刚刚收到了,谢谢。
打开看了看,相当不错的嘛!
功亏一篑——为什么不完成它?!
回复

使用道具 举报

发表于 2011-2-26 11:52 | 显示全部楼层
本帖最后由 cvi670 于 2011-2-26 11:59 编辑

倪老师的 板子做的很漂亮 您做的用的是贴片的595吧!我是的是DIP的布起来十分费劲昨晚弄到凌晨三点多,才弄成那个样子
我这条件有限 麻烦您把您做的8*8小点阵PCB分享给我  我做的那个总感觉尺寸有出入


我的邮箱 liuqilin670@126.com  我也参考一下  谢谢
回复

使用道具 举报

 楼主| 发表于 2011-2-26 13:32 | 显示全部楼层
    
   沈兄好!
    
   1.9mmLED在手已有时日,感谢沈兄的实验。(

   此LE ...
倪大德 发表于 2011-2-26 08:03 https://www.yleee.com.cn/images/common/back.gif

谢谢倪工!!

    目前还没有收到文件。
shqi2003@sohu.com
回复

使用道具 举报

 楼主| 发表于 2011-2-26 13:53 | 显示全部楼层
笨人笨办法,用别人的PCB板底稿在photoshop里面学习画板,一点一滴好辛苦,不过自娱自乐还是有点意思。
学习在PHOTOSHOP改PCB.jpg
回复

使用道具 举报

发表于 2011-2-26 14:04 | 显示全部楼层
本帖最后由 litchiate 于 2011-2-26 14:11 编辑
笨人笨办法,用别人的PCB板底稿在photoshop里面学习画板,一点一滴好辛苦,不过自娱自乐还是有点意思。
shqi2003 发表于 2011-2-26 13:53 https://www.yleee.com.cn/images/common/back.gif



不学一下protel么。 以后想画就画。
回复

使用道具 举报

 楼主| 发表于 2011-2-26 18:47 | 显示全部楼层
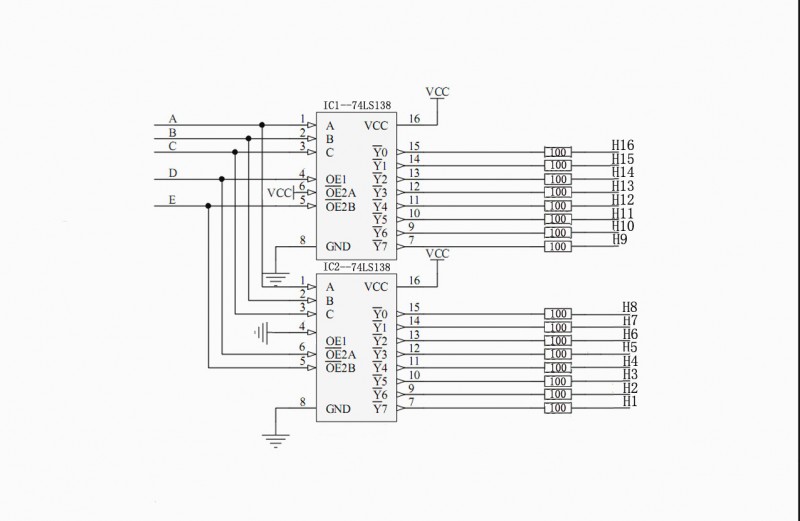
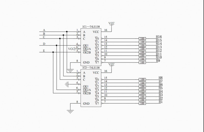
倪工提供的模块和595的PCB特好,现在还少上面一块行其他板和输入输出接口,有时间的朋友可以参考下面说明搞一下,呵呵!!

行驱动三极管可以改为4953芯片。
行控制板.jpg
138.jpg
行驱动三极管.jpg
接口.jpg
行控制板实物.jpg
回复

使用道具 举报

发表于 2011-2-27 00:24 | 显示全部楼层
可以分享一下么 我的邮箱 liuqilin670@126.com  我还没收到呢
回复

使用道具 举报

本版积分规则

QQ|一淘宝店|手机版|商店|一乐电子 ( 粤ICP备09076165号 ) 公安备案粤公网安备 44522102000183号

GMT+8, 2026-5-29 04:27 , Processed in 0.035214 second(s), 28 queries , Gzip On.

Powered by Discuz! X3.5

© 2001-2025 Discuz! Team.

快速回复 返回顶部 返回列表