晶体管测试器AVR-Transistortester
单片机技术 •
作者: jbzzz
在CT看到的,做了个,不错
原网站: http://www.mikrocontroller.net/articles/AVR-Transistortester
有源码
功能
*自动检测NPN和PNP晶体管,N沟道和P沟道MOSFET,二极管(包括双二极管),晶闸管,三极管,电阻器和电容器。
*自动检测和测试元件的引脚报告
*检测及晶体管和MOSFET保护二极管显示器
*的放大系数和基数的确定发射极晶体管的正向电压
*测量栅极阈值电压和栅电容的MOSFET
*显示值在文本液晶(2 * 16个字符)
*有效期组件测试:在2秒(除在较大的电容器)
*一键操作,自动切断
*功率消耗关闭模式:小于20 nA的
自开展例如场效应管(JFET的)现在支持。是晶闸管和Traics情况下可能导致问题,如果(在测试电流7毫安)低于维持电流。 MOSFET和晶体管已经发现了,但在我的测试总是准确的。
对于电阻测量范围约2欧姆为20M欧姆,覆盖了电阻值最大。其精确度不高。
电容器可以衡量的约0.2 nF至7000μF好。上面的准确性4000μF日益恶化。在原则上,大电容的测量还需要较长时间,测量的时间为1分钟是正常的。




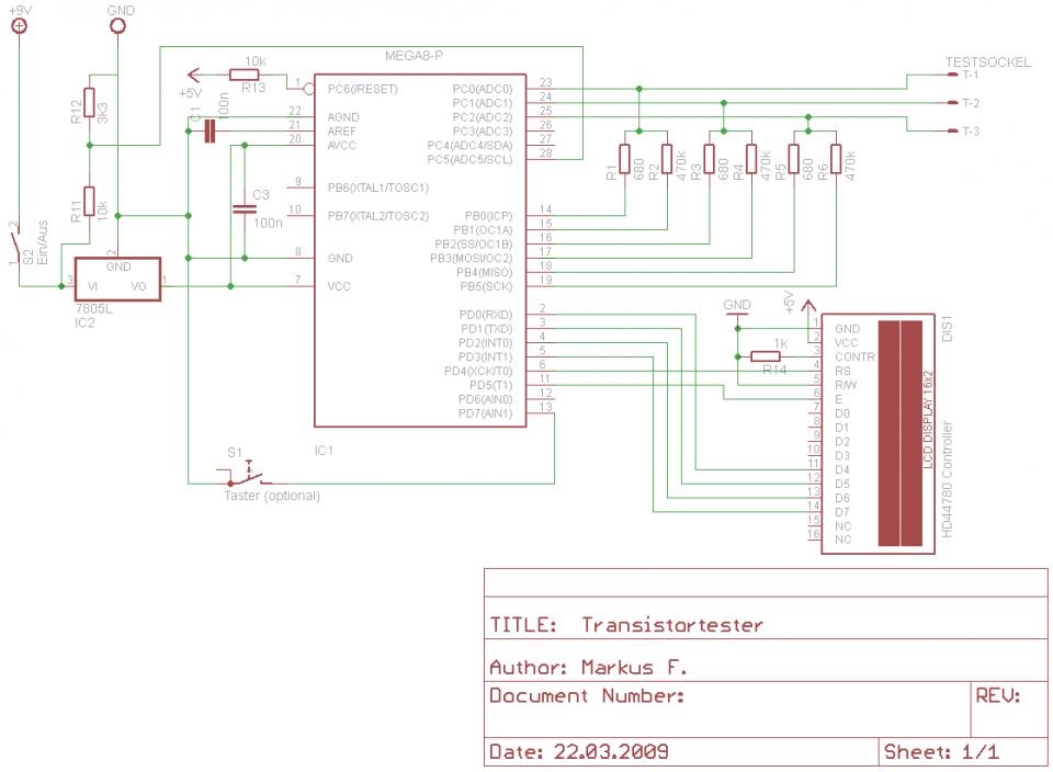
schaltplan.png (36.62 KB, 下载次数: 112)
2010-2-10 18:16 上传
我做的是上面这个图
搭了个,按下测试钮,显示结果,过几秒,自动关闭电路,再按钮,可以再看到显示结果,几秒后关闭
